GM Service Manual Online
For 1990-2009 cars only
Makes
🢒
Cadillac
🢒
2008
🢒
Escalade EXT
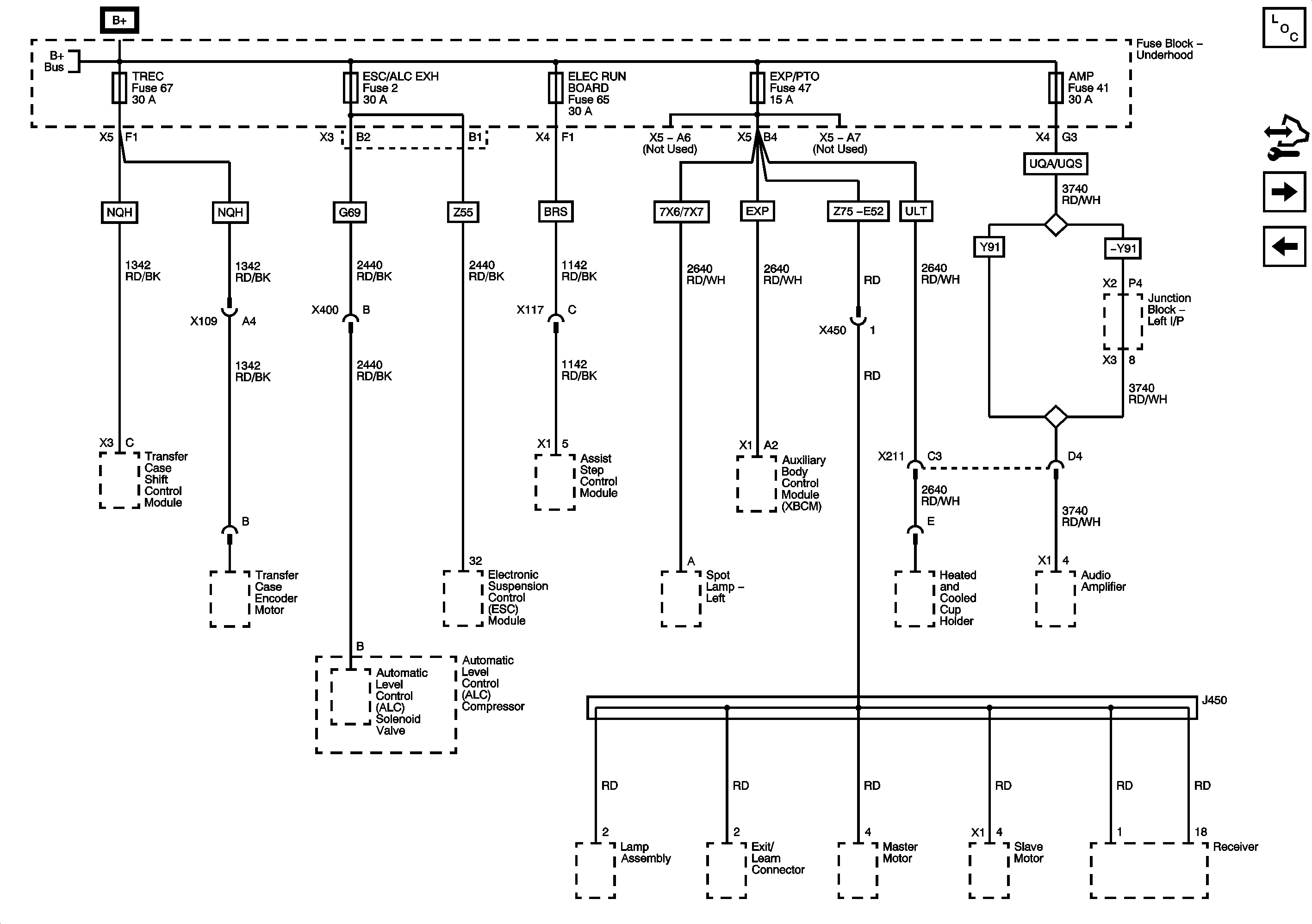
🢒 AMP, ELEC RUN BOARD, ESC/ALC EXH, EXP/BRK MDL, and TREC Fuses
AMP, ELEC RUN BOARD, ESC/ALC EXH, EXP/BRK MDL, and TREC Fuses
AMP, ELEC RUN BOARD, ESC/ALC EXH, EXP/BRK MDL and TREC Fuses
Master Electrical Component List
Control Module References
RDO Fuse
ECM-BATT, HEADLAMP WASH, HVAC BATT, IPC, LTR, S/ROOF, and TCM-BATT Fuses