GM Service Manual Online
For 1990-2009 cars only
Makes
🢒
Cadillac
🢒
2008
🢒
Escalade EXT
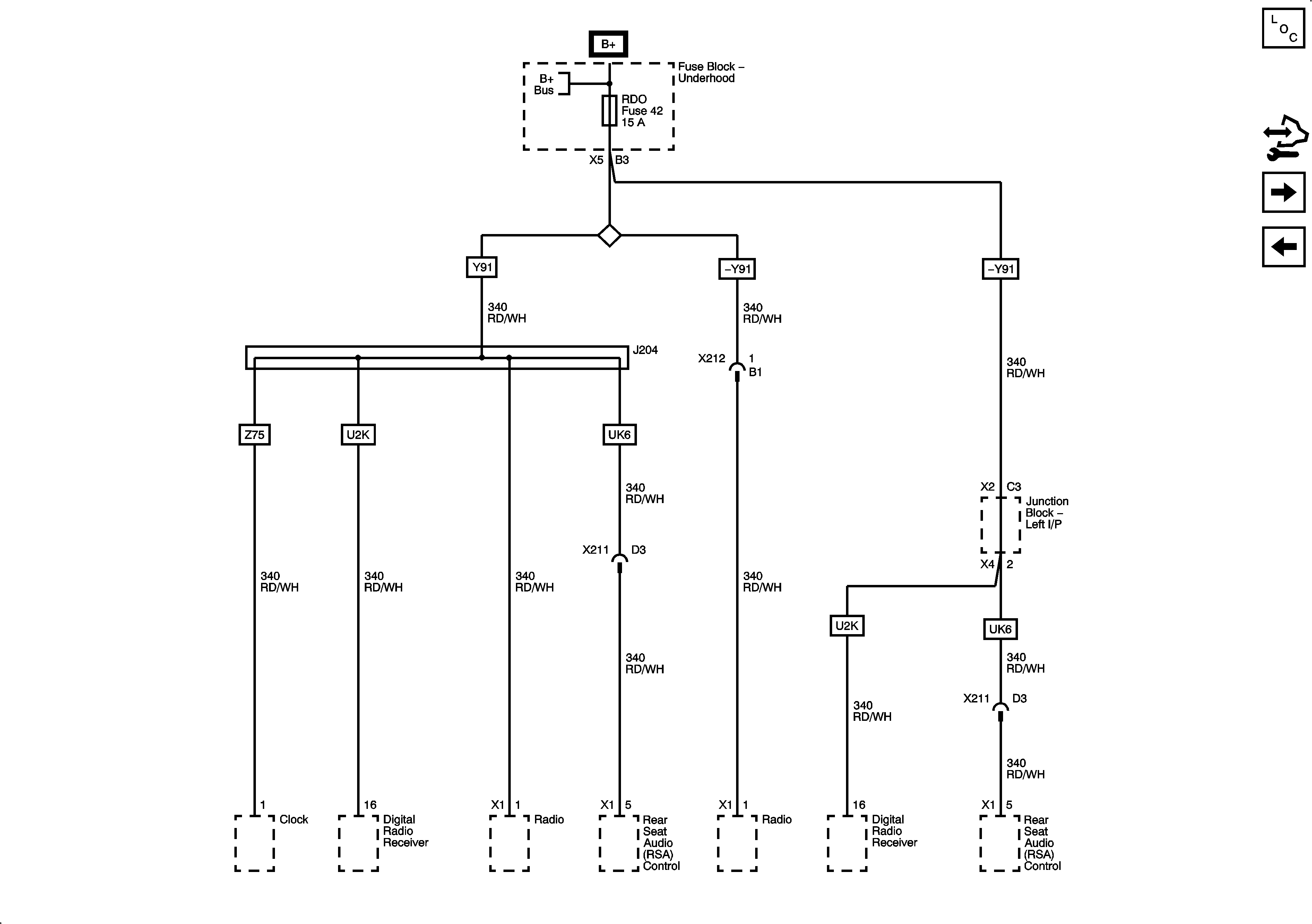
🢒 RDO Fuse
RDO Fuse
RDO Fuse
Master Electrical Component List
Control Module References
ABS-1, ABS 2, HEAVY DUTY ABS, HVAC BLWR, STUD 1, STUD 2, and WFHS Fuses
AMP, ELEC RUN BOARD, ESC/ALC EXH, EXP/BRK MDL, and TREC Fuses