GM Service Manual Online
For 1990-2009 cars only
Makes
🢒
Cadillac
🢒
2008
🢒
Escalade EXT
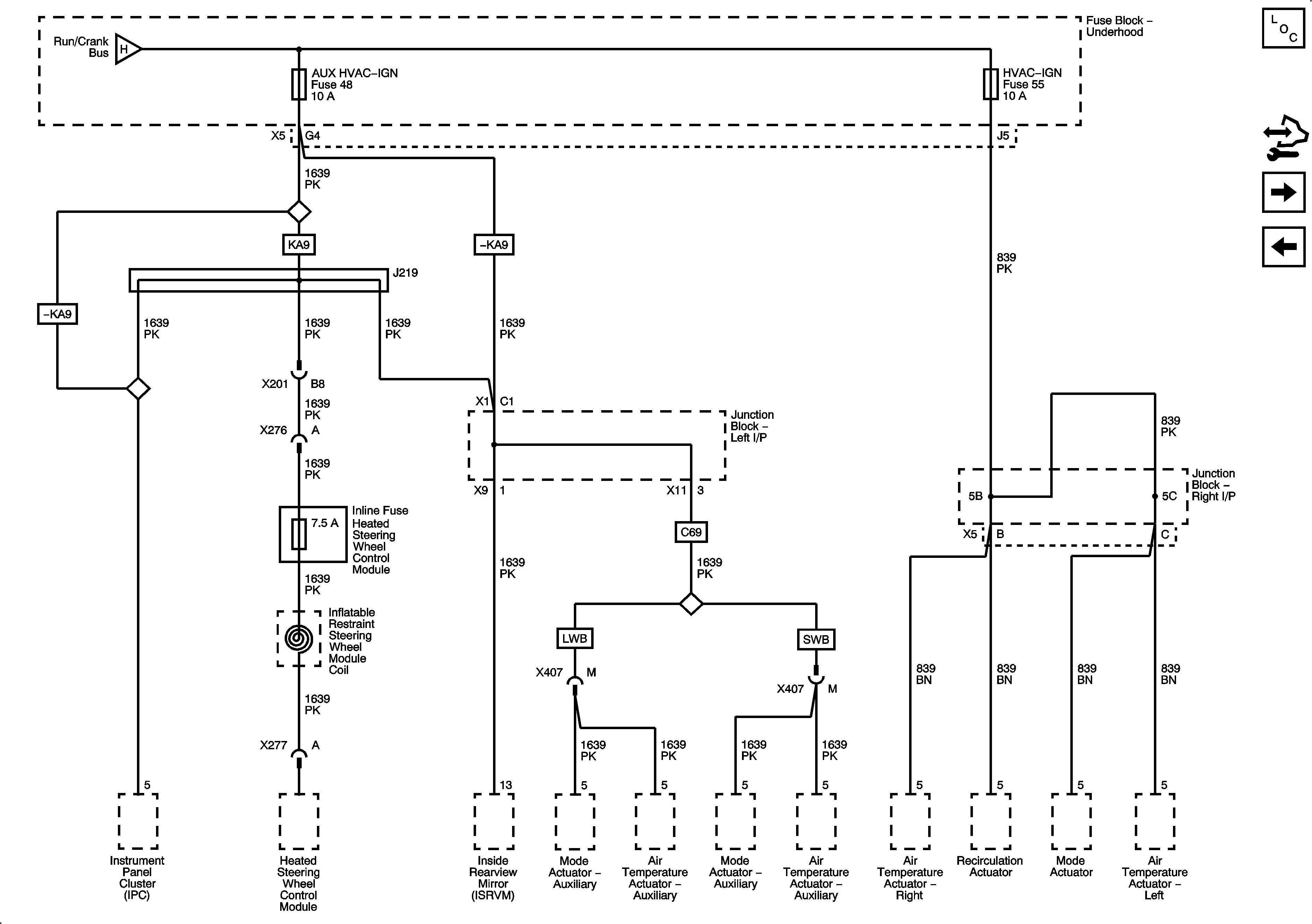
🢒 RUN/CRANK Bus - AUX HVAC - IGN and HVAC - IGN Fuses
RUN/CRANK Bus - AUX HVAC - IGN and HVAC - IGN Fuses
RUN/CRANK Bus - AUX HVAC-IGN and HVAC-IGN Fuses
Master Electrical Component List
Control Module References
FOG LAMP, HI HEADLAMP - LT, and HI HEADLAMP -RT
RUN/CRANK Bus - ECM-IGN and TRANS IGN 1 Fuses
RUN/CRANK Bus - ECM-IGN and TRANS IGN 1 Fuses