GM Service Manual Online
For 1990-2009 cars only
Makes
🢒
Cadillac
🢒
2008
🢒
Escalade EXT
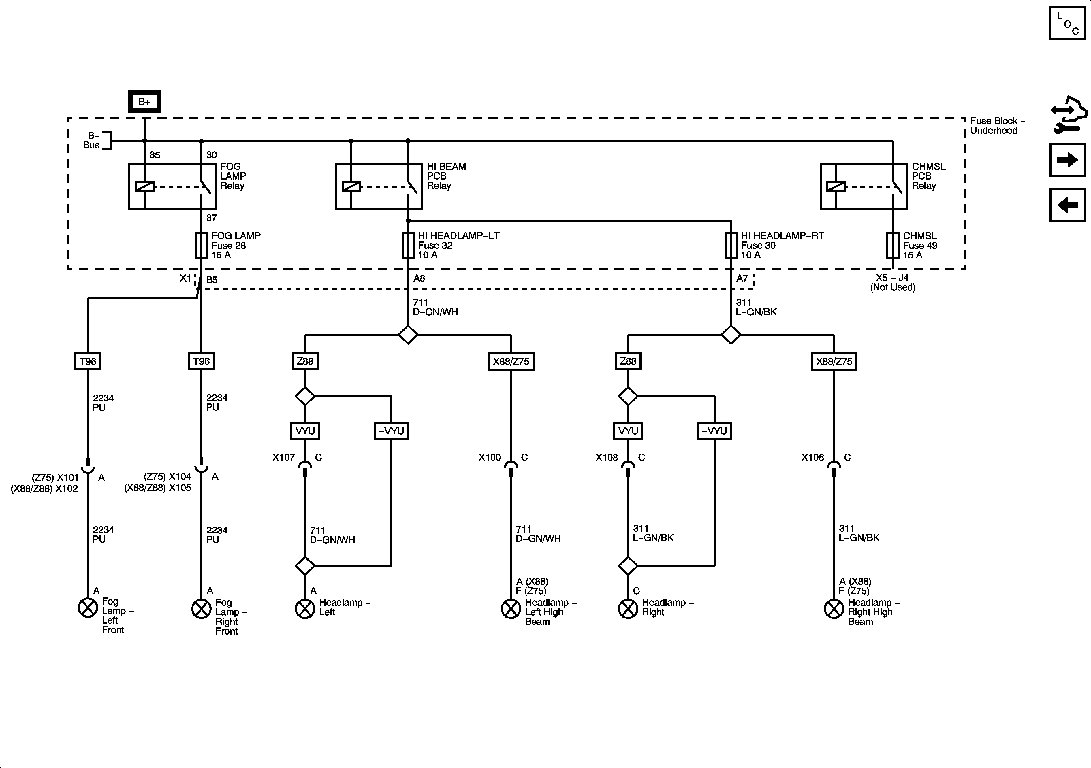
🢒 FOG LAMP, HI HEADLAMP - LT, and HI HEADLAMP -RT
FOG LAMP, HI HEADLAMP - LT, and HI HEADLAMP -RT
FOG LAMP, HI HEADLAMP-LT and HI HEADLAMP-RT Fuses
Master Electrical Component List
Control Module References
DRL, DRL 2, LO HDLP-LT, LO HDLP-RT, and STRTR Fuses
RUN/CRANK Bus - AUX HVAC - IGN and HVAC - IGN Fuses