GM Service Manual Online
For 1990-2009 cars only
Makes
🢒
Cadillac
🢒
2008
🢒
Escalade EXT
🢒 Indicators
Indicators
Indicators
Master Electrical Component List
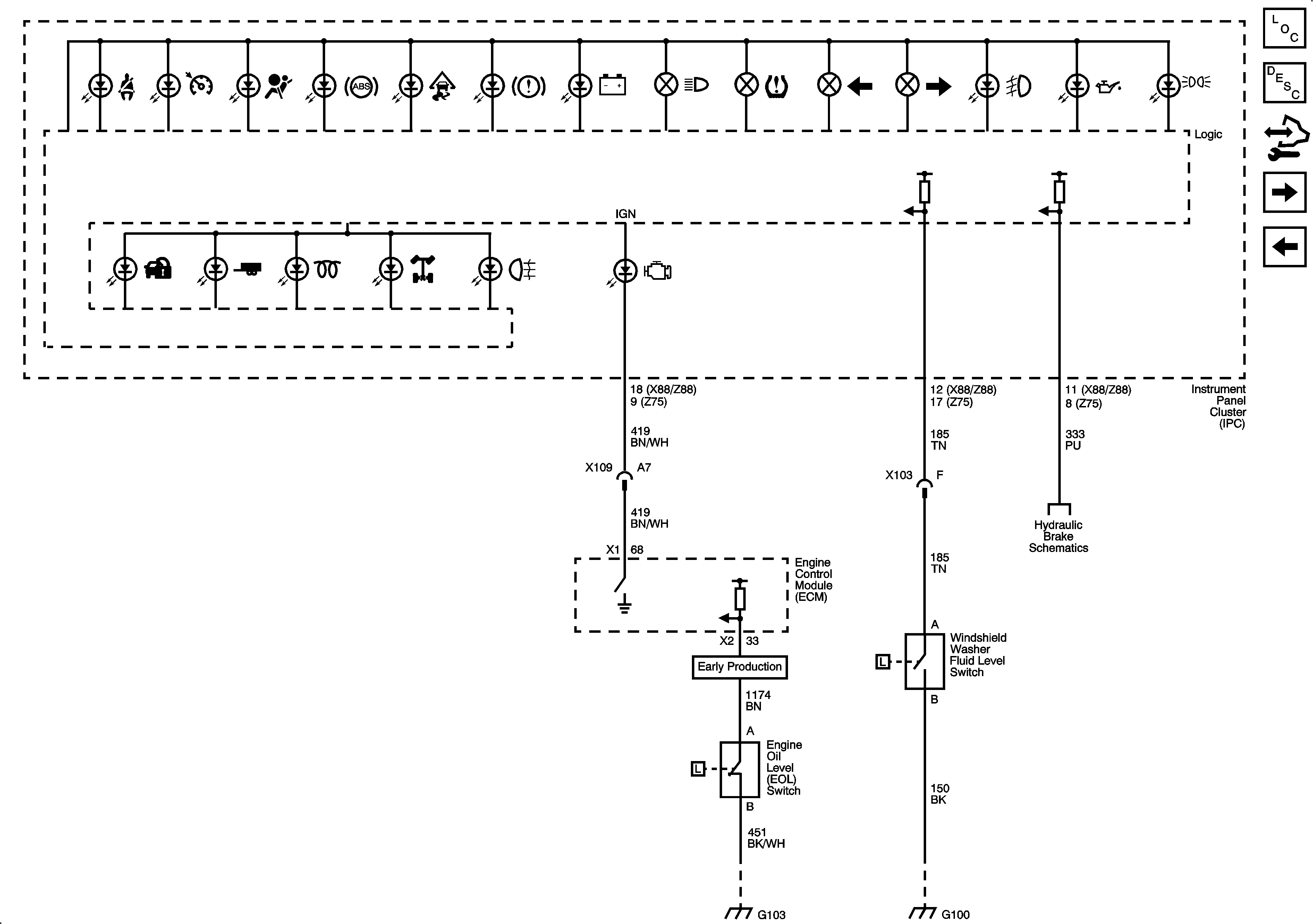
Instrument Cluster Description and Operation
Control Module References
Gages
Power, Ground, and Driver Information Center Switch
Hydraulic Brake Schematics
G100
G103, G110 and G111