GM Service Manual Online
For 1990-2009 cars only
Makes
🢒
Cadillac
🢒
2008
🢒
Escalade EXT
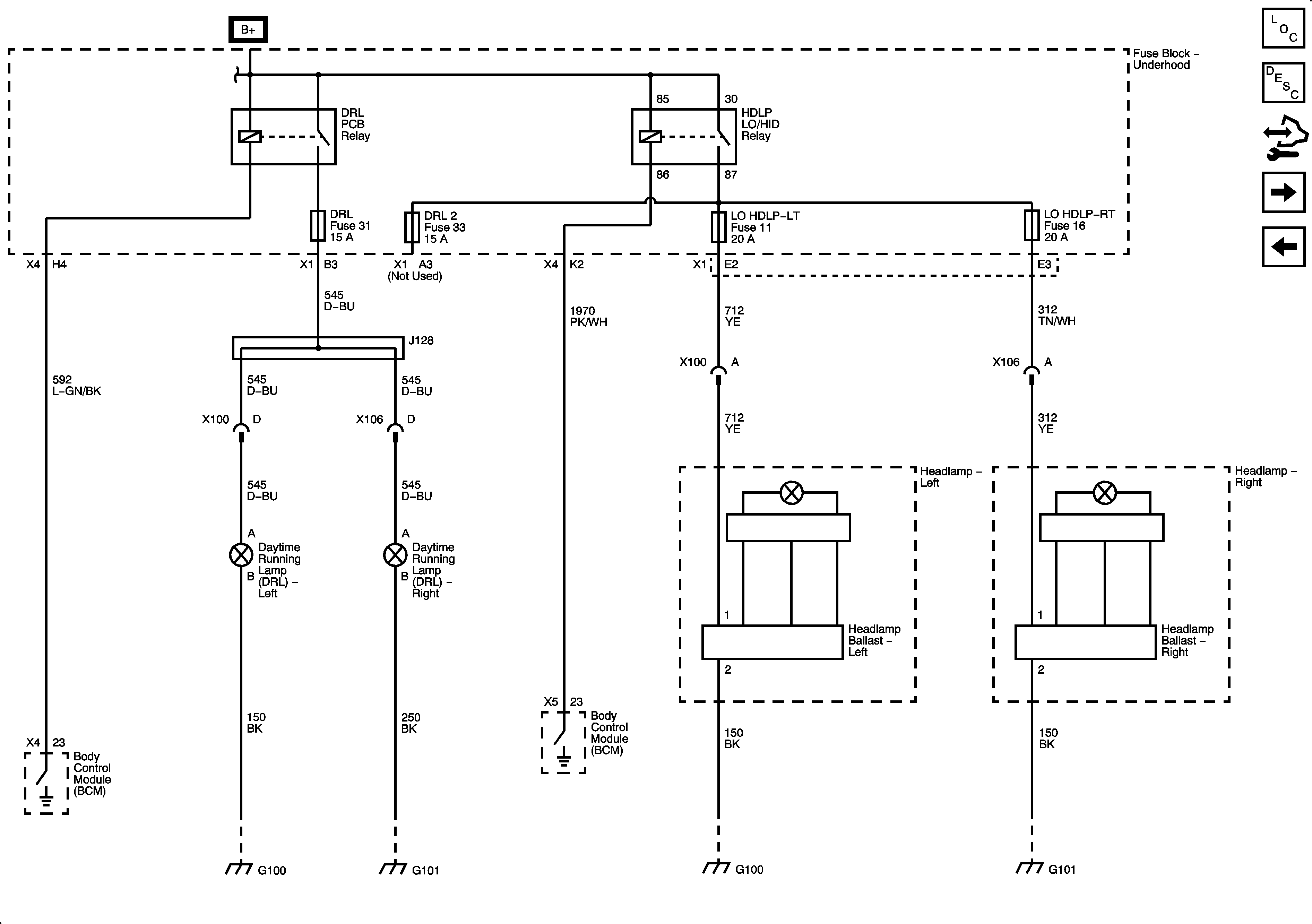
🢒 Low Beam and Daytime Running Lamps - Z75
Low Beam and Daytime Running Lamps - Z75
Low Beam and Daytime Running Lamps - Z75
Master Electrical Component List
Exterior Lighting Systems Description and Operation
Control Module References
High Beams
Low Beam and Daytime Running Lamps - X88 or Z88
DRL, DRL 2, LO HDLP-LT, LO HDLP-RT, and STRTR Fuses
DRL, DRL 2, LO HDLP-LT, LO HDLP-RT, and STRTR Fuses
DRL, DRL 2, LO HDLP-LT, LO HDLP-RT, and STRTR Fuses
DRL, DRL 2, LO HDLP-LT, LO HDLP-RT, and STRTR Fuses
G100
G101
G100
G101