GM Service Manual Online
For 1990-2009 cars only
Makes
🢒
Cadillac
🢒
2008
🢒
Escalade EXT
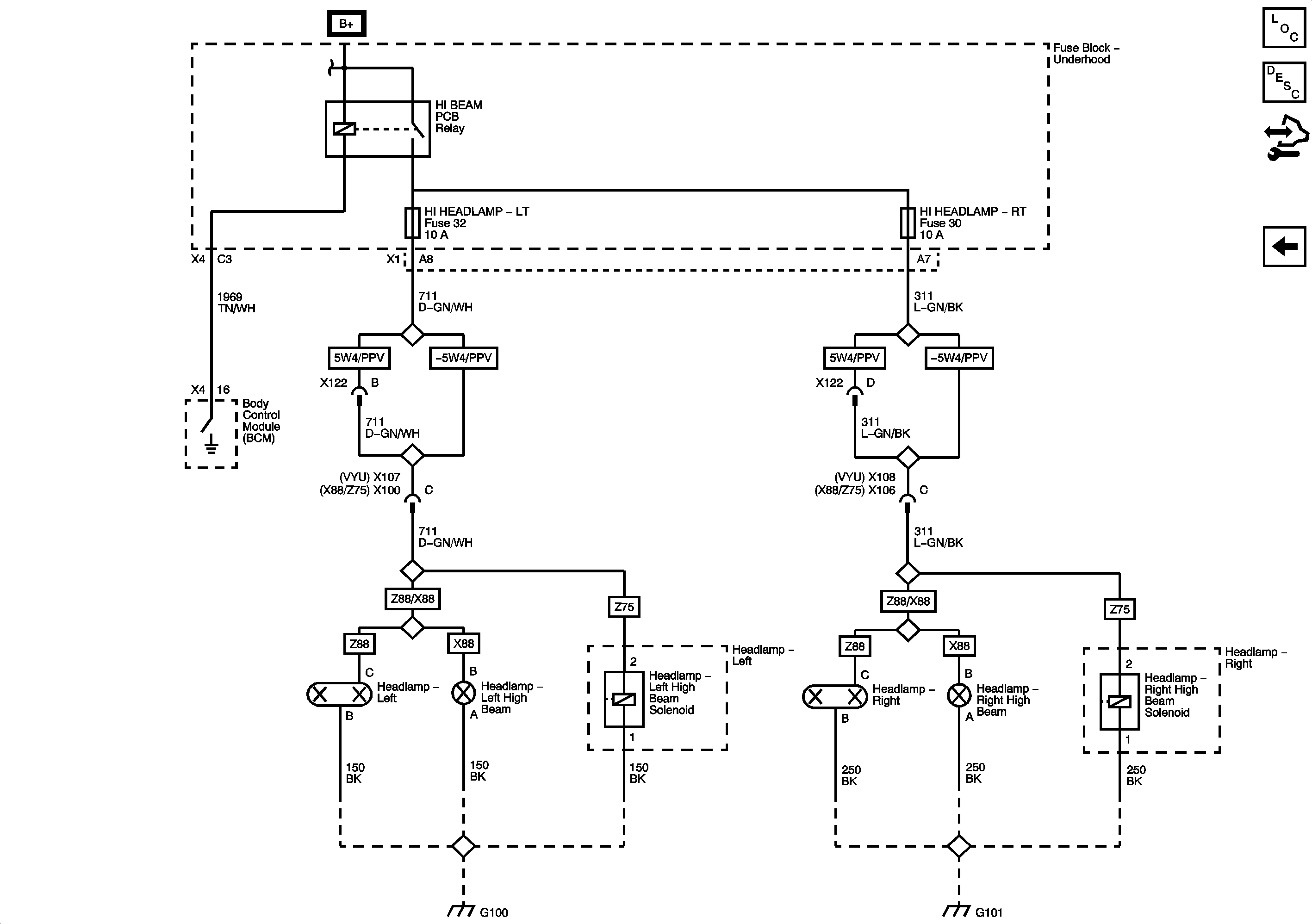
🢒 High Beams
High Beams
High Beams
Master Electrical Component List
Exterior Lighting Systems Description and Operation
Control Module References
Low Beam and Daytime Running Lamps - Z75
FOG LAMP, HI HEADLAMP - LT, and HI HEADLAMP -RT
FOG LAMP, HI HEADLAMP - LT, and HI HEADLAMP -RT
G100
G101