GM Service Manual Online
For 1990-2009 cars only
Makes
🢒
Cadillac
🢒
2008
🢒
Escalade EXT
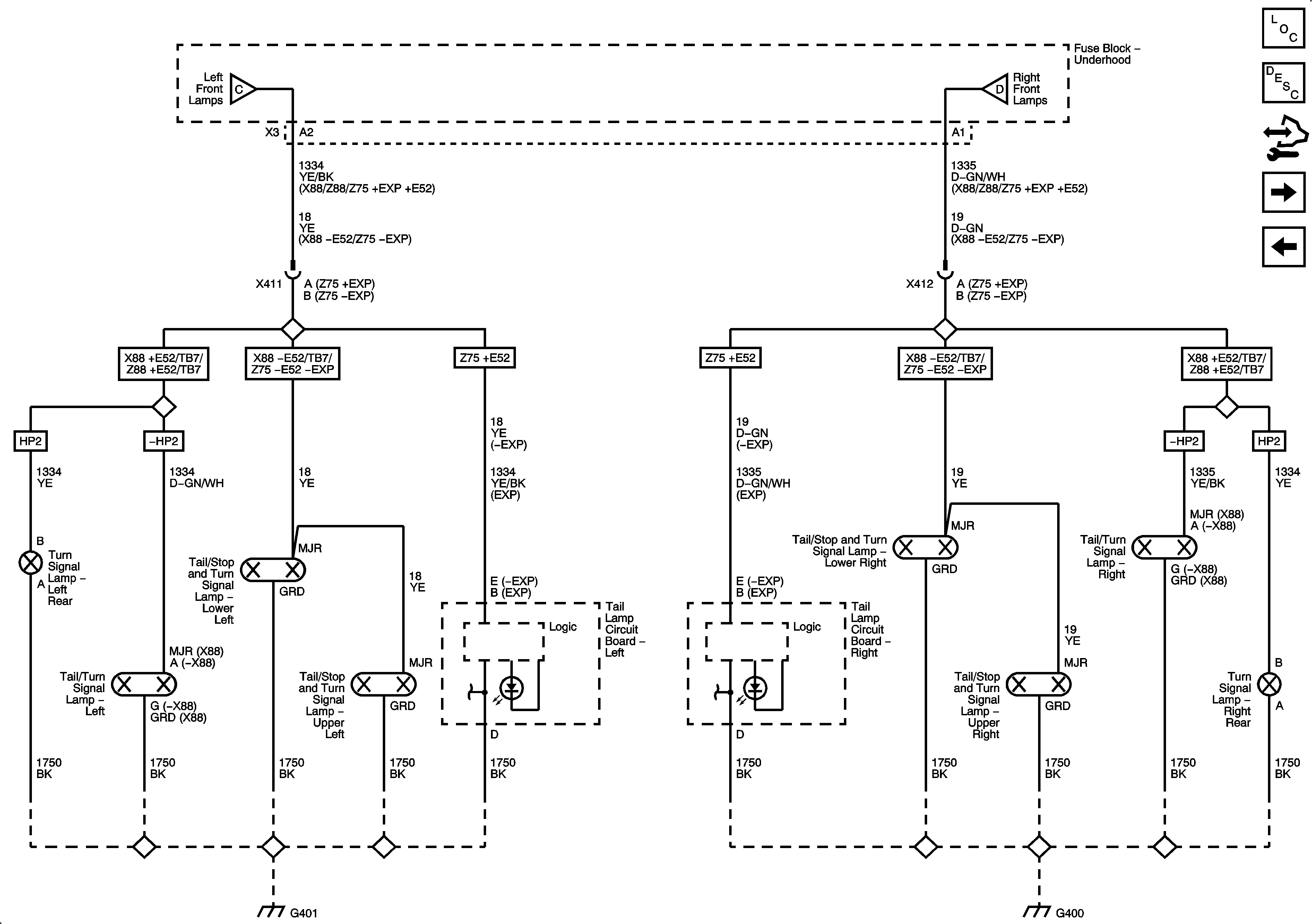
🢒 Rear Turn Signal Lamps
Rear Turn Signal Lamps
Rear Turn Signal Lamps
Master Electrical Component List
Exterior Lighting Systems Description and Operation
Control Module References
Stop Lamp Controls and CHMSL
Front Turn Signal Lamps
Front Turn Signal Lamps
Front Turn Signal Lamps
G401