GM Service Manual Online
For 1990-2009 cars only
Makes
🢒
Cadillac
🢒
2008
🢒
Escalade EXT
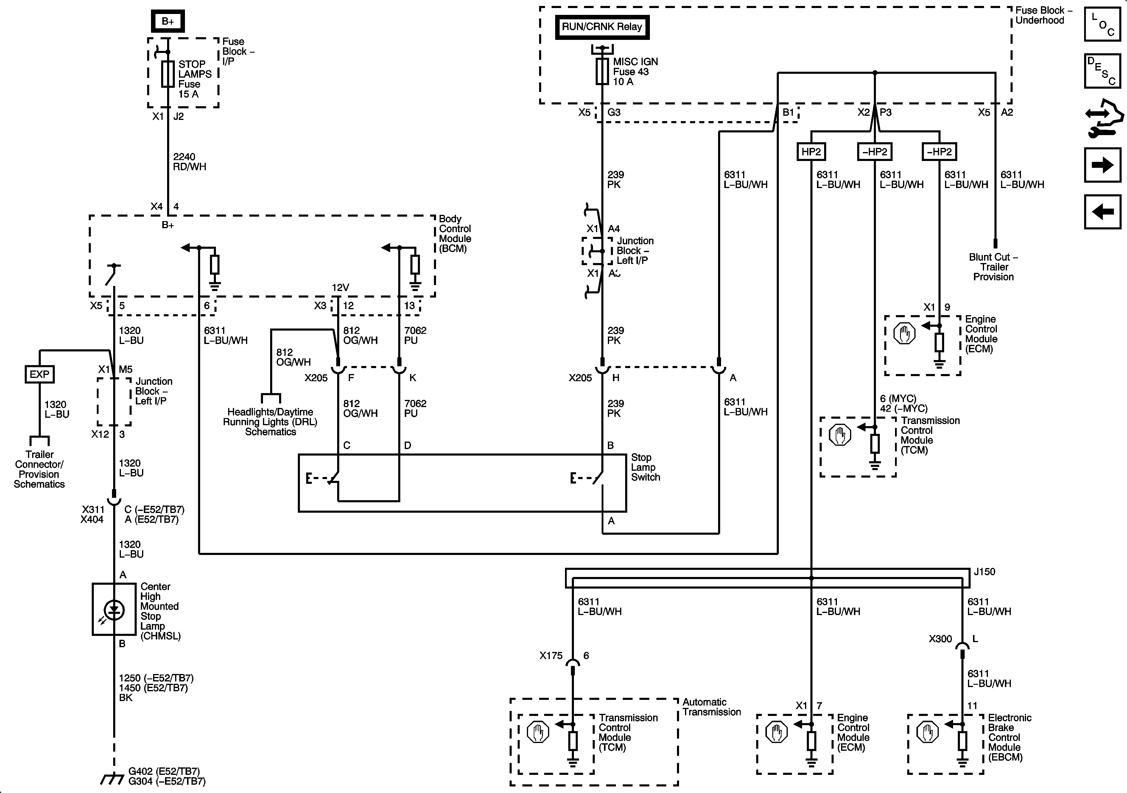
🢒 Stop Lamp Controls and CHMSL
Stop Lamp Controls and CHMSL
Stop Lamp Controls and CHMSL
Master Electrical Component List
Exterior Lighting Systems Description and Operation
Control Module References
Stop Lamps - Z75 with EXP, X88 or Z88
Rear Turn Signal Lamps
IS LAMPS, LT STOP TRN, OBS DET, REAR SEAT, and STOP LAMPS Fuses and LT DR Circuit Breaker
Trailer Wiring - 2 of 2 (EXP)
Dimming Control and LED Dimming - 1 of 3
G402 - E52
G303, G304, and G305