GM Service Manual Online
For 1990-2009 cars only
Makes
🢒
Cadillac
🢒
2008
🢒
Escalade EXT
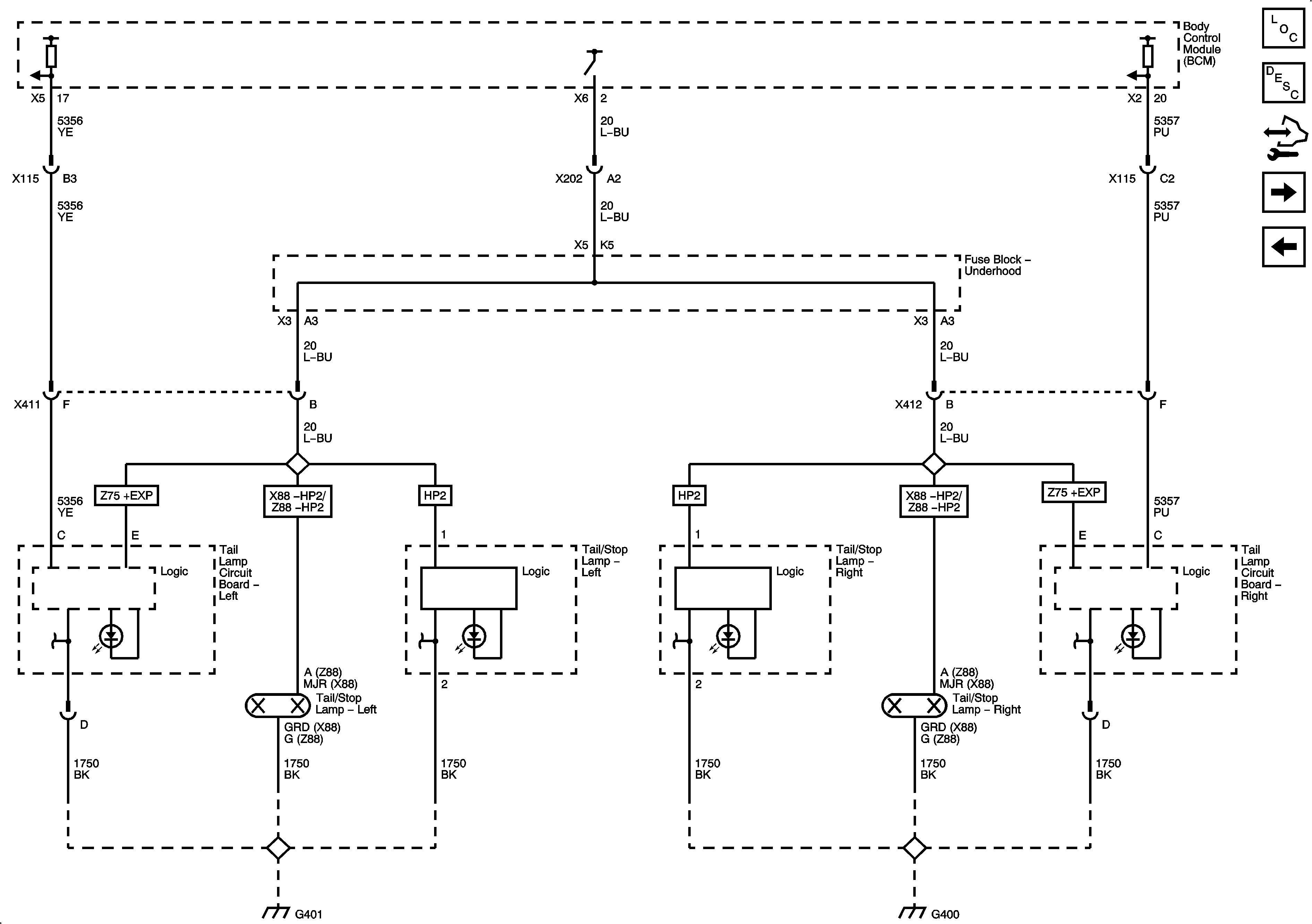
🢒 Stop Lamps - Z75 with EXP, X88 or Z88
Stop Lamps - Z75 with EXP, X88 or Z88
Stop Lamps - Z75 with EXP, X88 or Z88
Master Electrical Component List
Exterior Lighting Systems Description and Operation
Control Module References
Stop Lamps - Domestic Z75
Stop Lamp Controls and CHMSL
G401
G400