GM Service Manual Online
For 1990-2009 cars only
Makes
🢒
Cadillac
🢒
2008
🢒
Escalade EXT
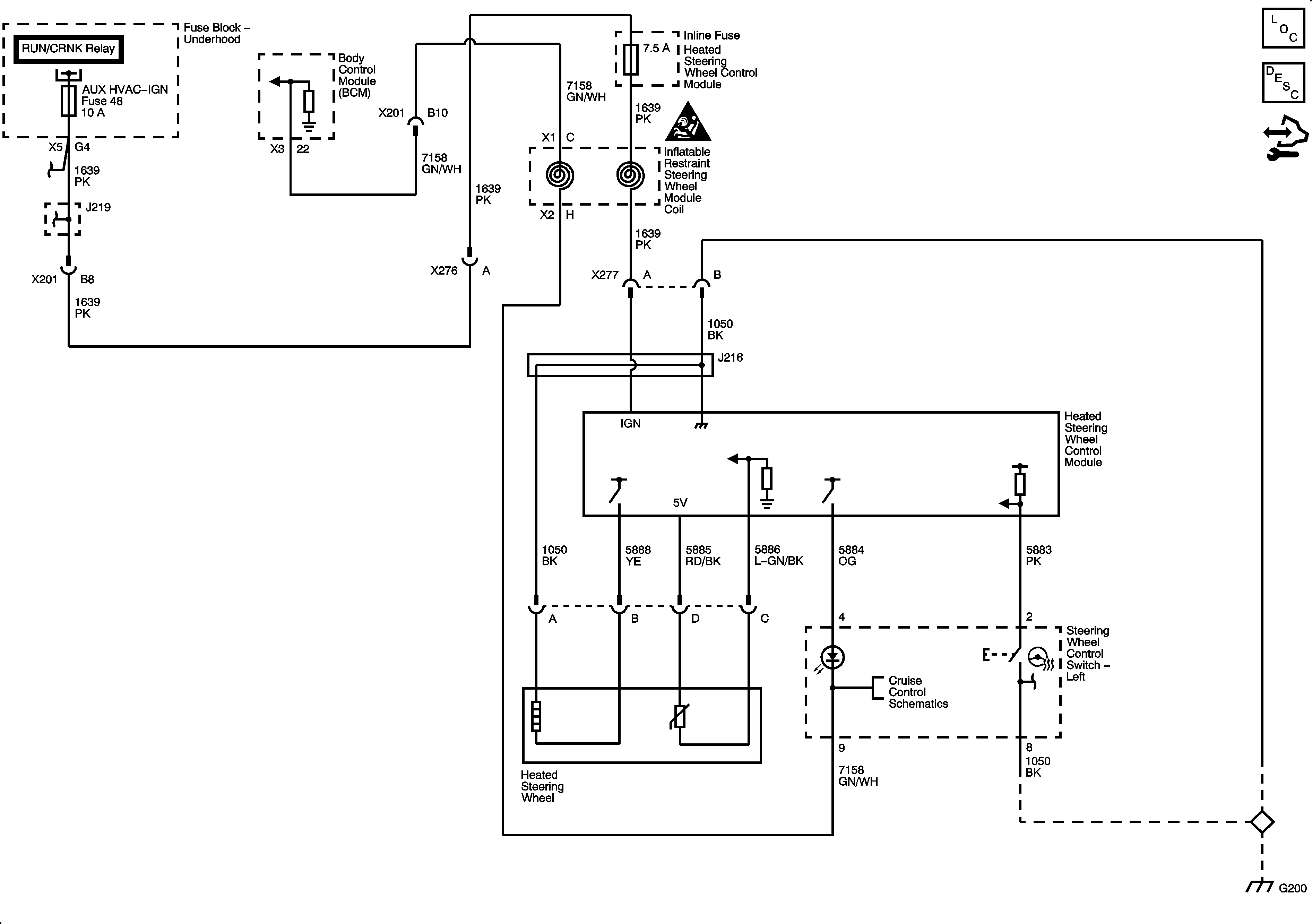
🢒 Heated Steering Wheel (KA9)
Heated Steering Wheel (KA9)
Heated Steering Wheel (KA9)
Master Electrical Component List
Steering Wheel and Column Description and Operation
Control Module References
RUN/CRANK Bus - AUX HVAC - IGN and HVAC - IGN Fuses
G200 - 1 of 2