GM Service Manual Online
For 1990-2009 cars only
Makes
🢒
Cadillac
🢒
2008
🢒
Escalade EXT
🢒 Rear
Rear
Rear
Master Electrical Component List
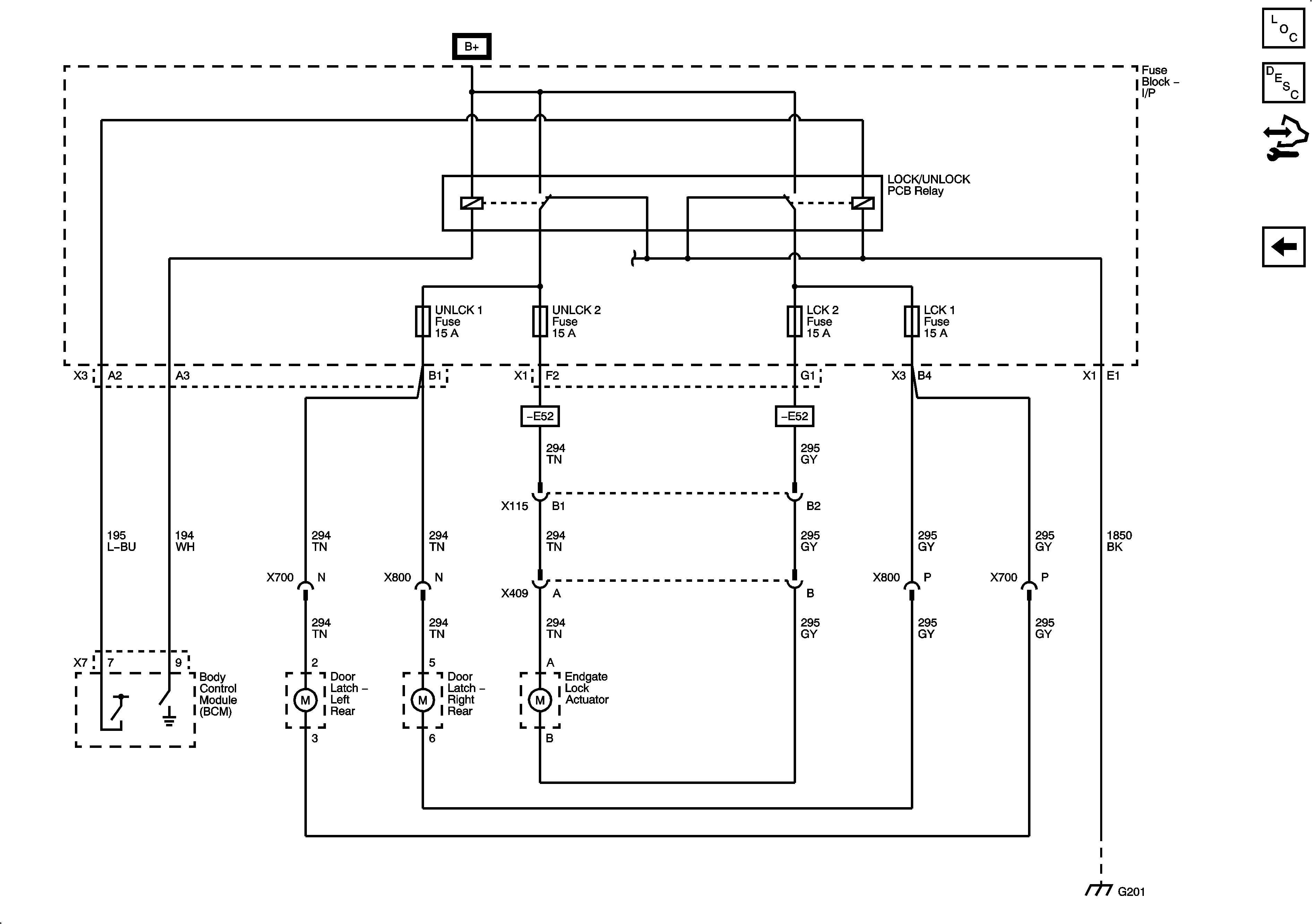
Power Door Locks Description and Operation
Control Module References
Front
LCK 1, LCK 2, UNLCK 1, UNLCK 2, INFO, and REAR SEAT ENT Fuses
LCK 1, LCK 2, UNLCK 1, UNLCK 2, INFO, and REAR SEAT ENT Fuses
LCK 1, LCK 2, UNLCK 1, UNLCK 2, INFO, and REAR SEAT ENT Fuses
LCK 1, LCK 2, UNLCK 1, UNLCK 2, INFO, and REAR SEAT ENT Fuses
G201