GM Service Manual Online
For 1990-2009 cars only
Makes
🢒
Cadillac
🢒
2008
🢒
Escalade EXT
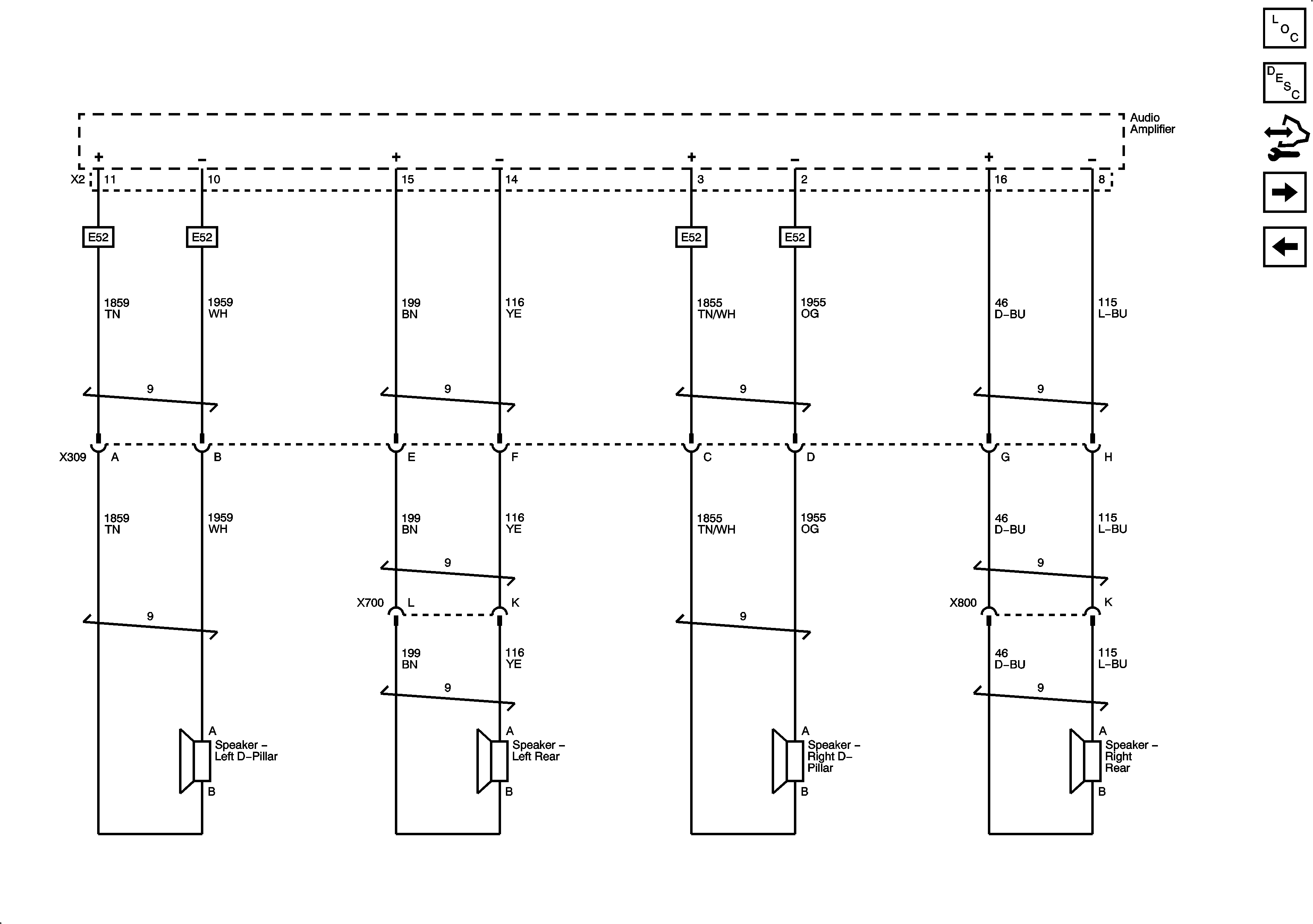
🢒 Rear Speakers UQS or UQA with Y91
Rear Speakers UQS or UQA with Y91
Rear Speakers - UQS or UQA with Y91
Master Electrical Component List
Radio/Audio System Description and Operation
Control Module References
Digital Radio Receiver - U2K
Rear Speakers UQA without Y91