GM Service Manual Online
For 1990-2009 cars only
Makes
🢒
Cadillac
🢒
2008
🢒
Escalade EXT
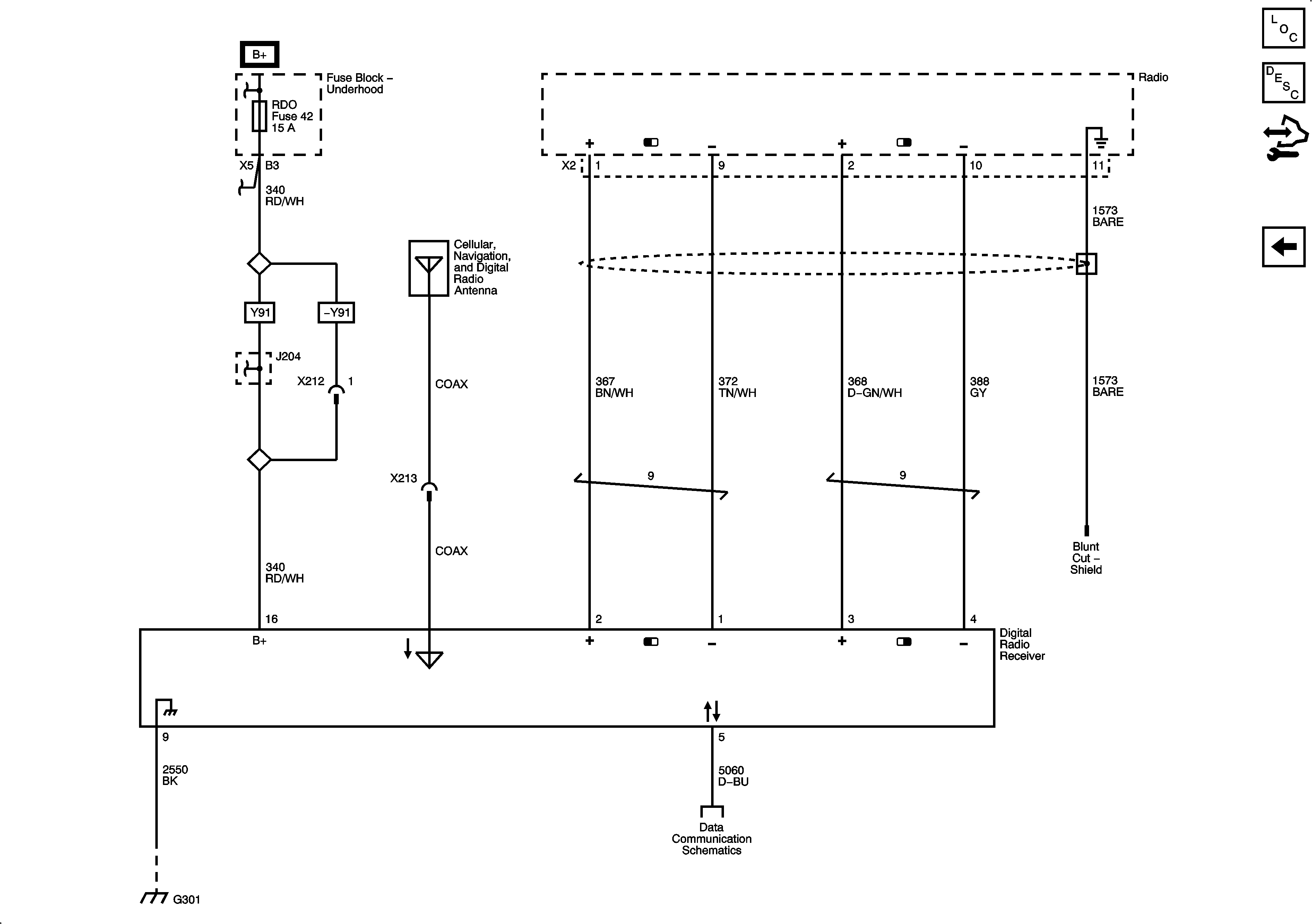
🢒 Digital Radio Receiver - U2K
Digital Radio Receiver - U2K
Digital Radio Receiver - U2K
Master Electrical Component List
Radio/Audio System Description and Operation
Control Module References
Rear Speakers UQS or UQA with Y91
RDO Fuse
G301