GM Service Manual Online
For 1990-2009 cars only
Makes
🢒
Cadillac
🢒
2008
🢒
Escalade EXT
🢒 Content Theft Deterrent
Content Theft Deterrent
Content Theft Deterrent
Master Electrical Component List
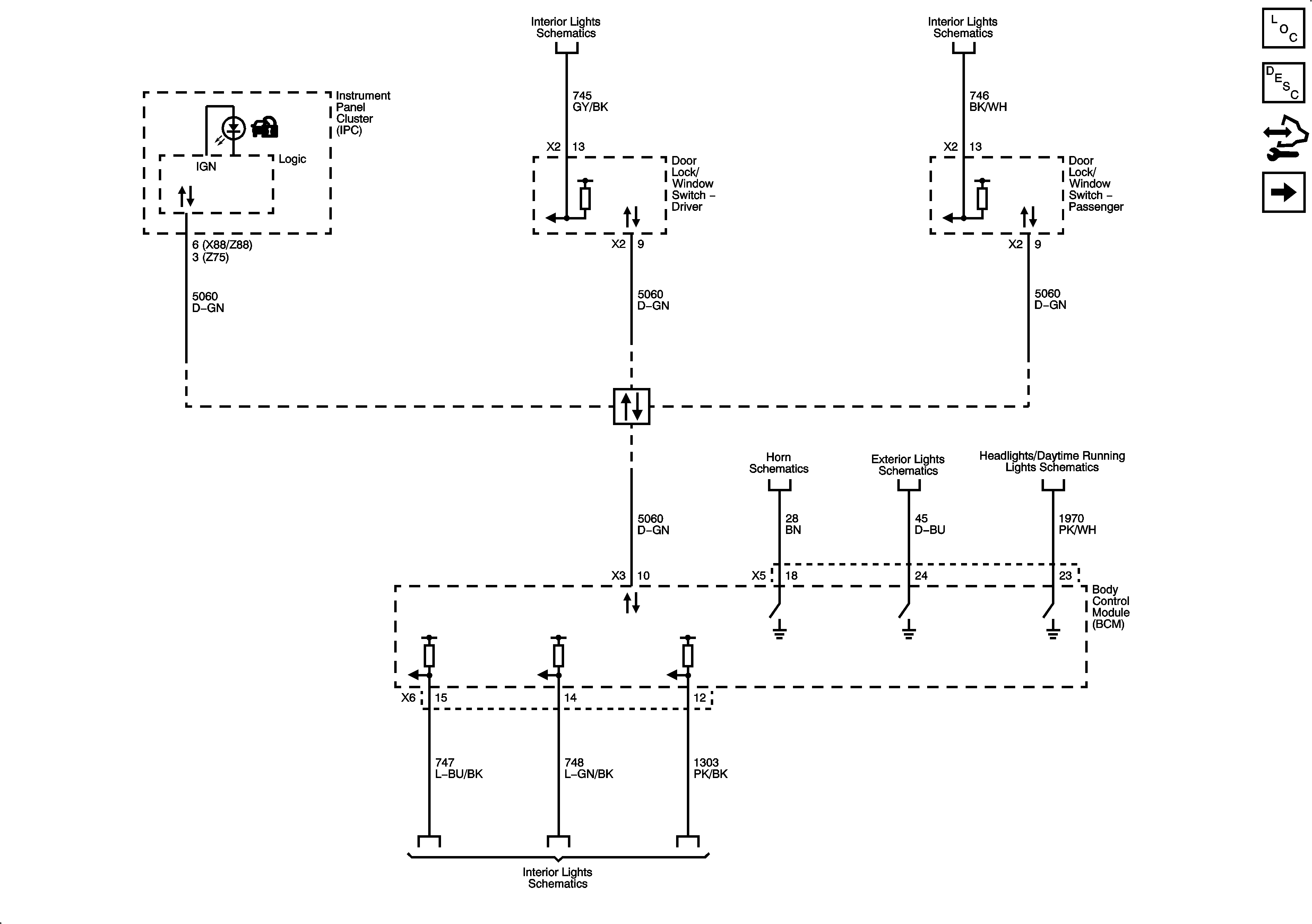
Content Theft Deterrent (CTD) Description and Operation
Control Module References
SPO Alarm
Door Jamb Switches
Door Jamb Switches
Data Communication Schematics
Horn Schematics
Park Lamp Controls and Front Park Lamps
Low Beam and Daytime Running Lamps - X88 or Z88
Door Jamb Switches