GM Service Manual Online
For 1990-2009 cars only
Makes
🢒
Cadillac
🢒
2008
🢒
Escalade EXT
🢒 SPO Alarm
SPO Alarm
SPO Alarm
Master Electrical Component List
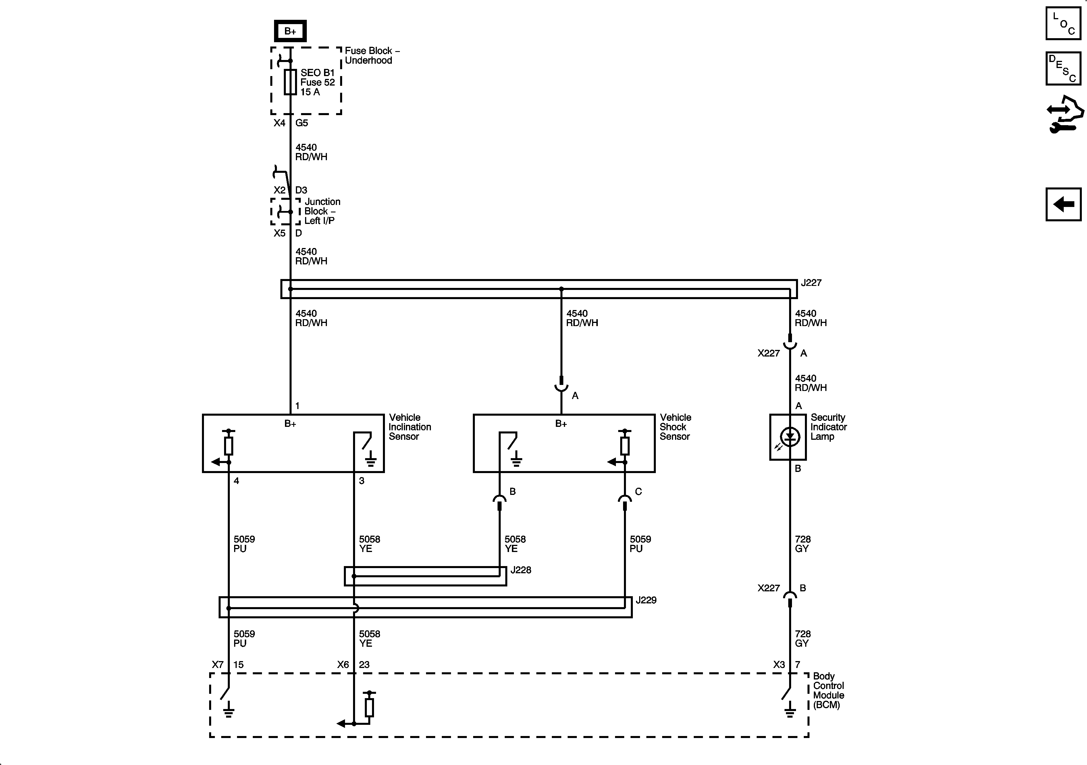
Content Theft Deterrent (CTD) Description and Operation
Control Module References
Content Theft Deterrent
AIRBAG, SEO B1, and SEO B2 Fuses