GM Service Manual Online
For 1990-2009 cars only
Makes
🢒
Cadillac
🢒
2008
🢒
Escalade EXT
🢒 Electronics Cooling
Electronics Cooling
Electronics Cooling
Master Electrical Component List
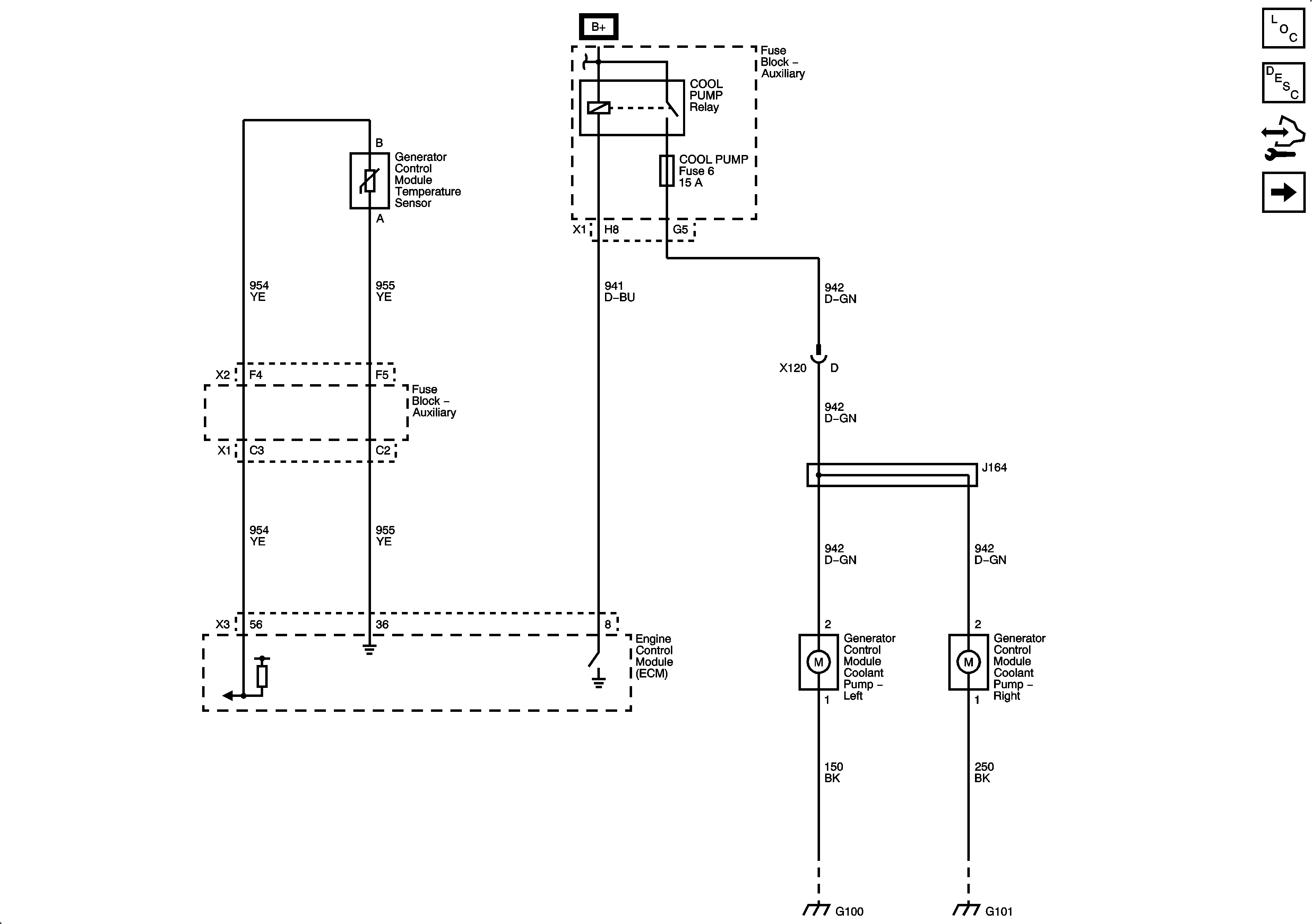
Drive Motor Generator Control Module Cooling System Description and Operation
Control Module References
Battery Cooling
ACCM, ACPO, BECM, BECM FAN, CAB HTR PUMP, COOL PUMP, EPS, PIM 1 and PIM 2 Fuses
G100
G101