GM Service Manual Online
For 1990-2009 cars only
Makes
🢒
Cadillac
🢒
2008
🢒
Escalade EXT
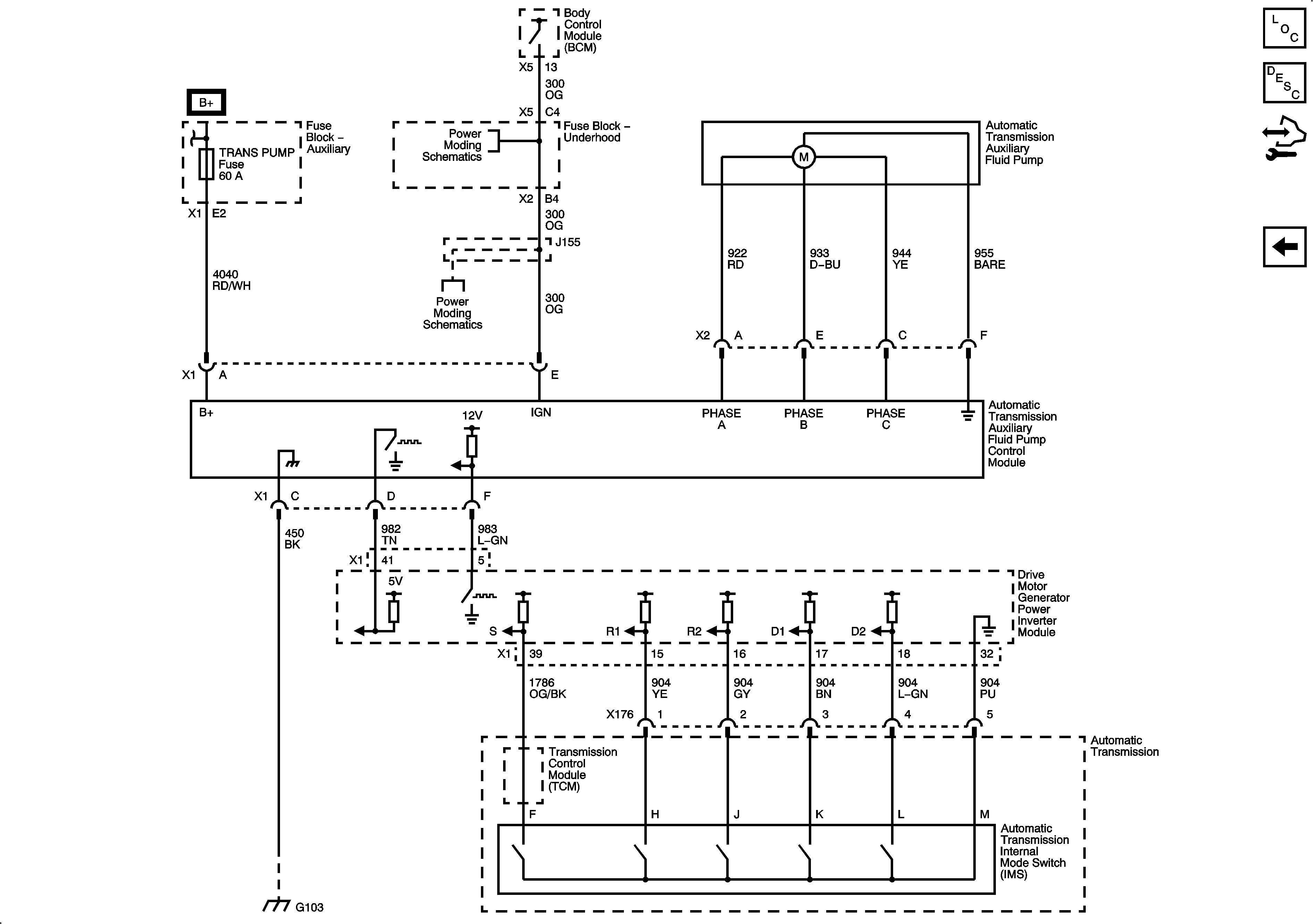
🢒 Transmission Pump and Range Signals
Transmission Pump and Range Signals
Transmission Pump and Range Signals
Master Electrical Component List
Drive Motor Generator Control Module Description and Operation
Control Module References
Drive Motor with Generator Assembly - 2nd Position
ACCM, ACPO, BECM, BECM FAN, CAB HTR PUMP, COOL PUMP, EPS, PIM 1 and PIM 2 Fuses
Ignition 3 and Accessory Voltage
Ignition 3 and Accessory Voltage
G103, G110 and G111