GM Service Manual Online
For 1990-2009 cars only
Makes
🢒
Cadillac
🢒
2008
🢒
Escalade EXT
🢒 Engine Data Sensors - Oxygen Sensors
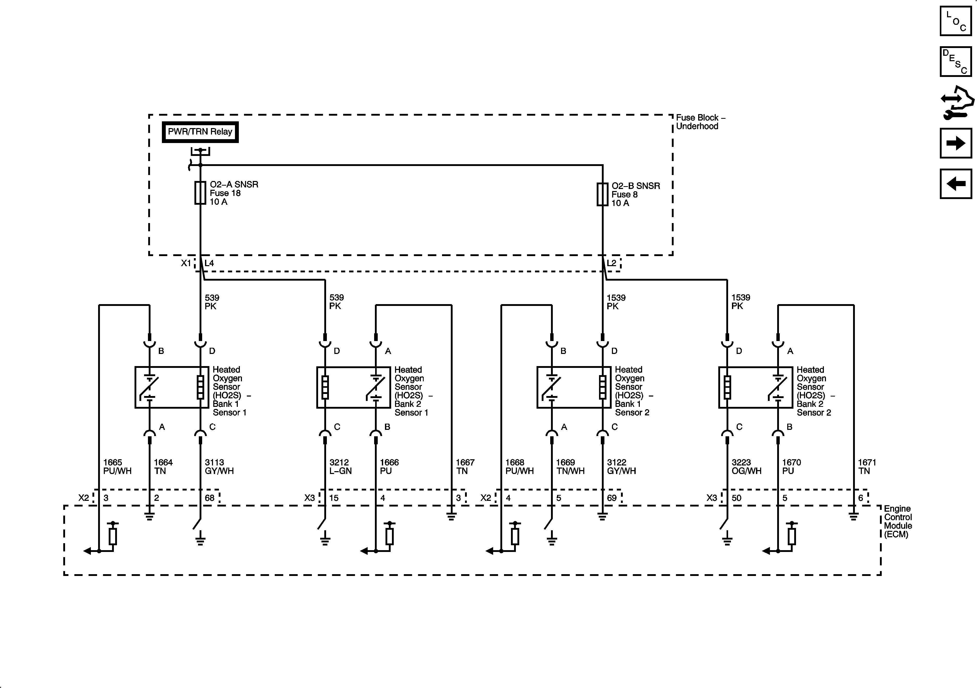
Engine Data Sensors - Oxygen Sensors
Engine Data Sensors - Oxygen Sensors
Master Electrical Component List
Engine Control Module Description
Control Module References
Engine Data Sensors - Throttle Controls
Engine Data Sensors - Pressure and Temperature
PWR/TRN Bus - ECM/THROT CONT, ENG, O2-A SNSR, and O2-B SNSR Fuses
PWR/TRN Bus - ECM/THROT CONT, ENG, O2-A SNSR, and O2-B SNSR Fuses