GM Service Manual Online
For 1990-2009 cars only
Makes
🢒
Cadillac
🢒
2008
🢒
Escalade EXT
🢒 Engine Data Sensors - Pressure and Temperature
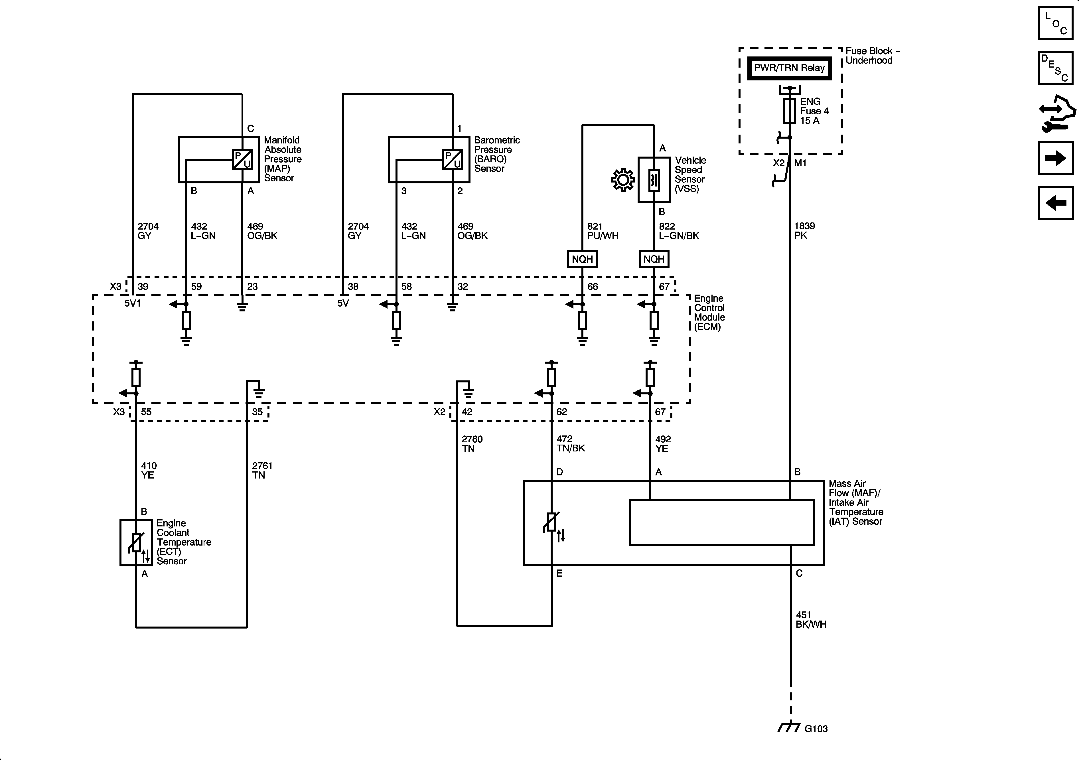
Engine Data Sensors - Pressure and Temperature
Engine Data Sensors - Pressure and Temperature
Master Electrical Component List
Engine Control Module Description
Control Module References
Engine Data Sensors - Oxygen Sensors
Engine Data Sensors - 5-Volt and Low Reference
PWR/TRN Bus - ECM/THROT CONT, ENG, O2-A SNSR, and O2-B SNSR Fuses
G103, G110 and G111