GM Service Manual Online
For 1990-2009 cars only
Makes
🢒
Cadillac
🢒
2008
🢒
Escalade EXT
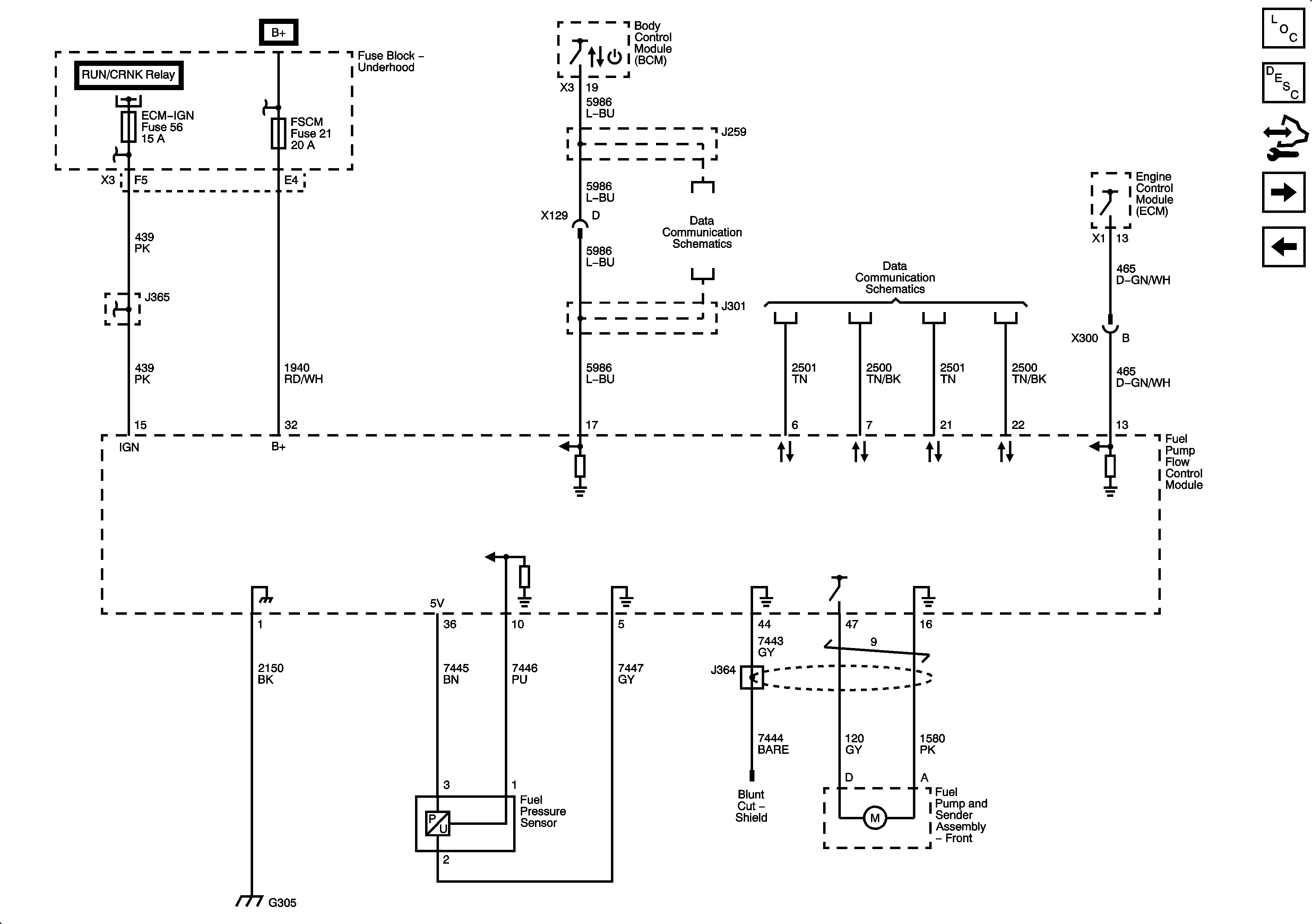
🢒 Fuel Pump Flow Control Module
Fuel Pump Flow Control Module
Fuel Pump Flow Control Module
Master Electrical Component List
Fuel System Description
Control Module References
Fuel Controls - Fuel Injectors
Ignition Controls - Sensors and Active Fuel Management (AFM) Controls
RUN/CRANK Bus - ECM-IGN and TRANS IGN 1 Fuses
ECM-BATT, HEADLAMP WASH, HVAC BATT, IPC, LTR, S/ROOF, and TCM-BATT Fuses
Serial Data Communication Enable and Wake-up Circuits
HIgh Speed Bus - 2 of 2
G303, G304, and G305