GM Service Manual Online
For 1990-2009 cars only
Makes
🢒
Cadillac
🢒
2008
🢒
Escalade EXT
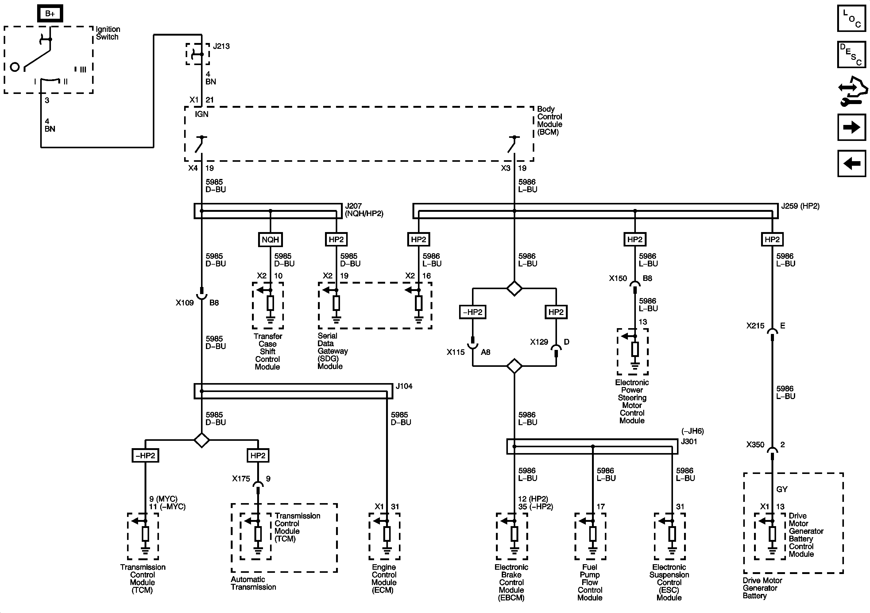
🢒 Serial Data Communication Enable and Wake-up Circuits
Serial Data Communication Enable and Wake-up Circuits
Serial Data Communication Enable and Wake-up Circuits
Master Electrical Component List
Data Link Communications Description and Operation
Control Module References
High Speed Bus (HP2)
HIgh Speed Bus - 2 of 2