GM Service Manual Online
For 1990-2009 cars only
Makes
🢒
Cadillac
🢒
2008
🢒
Escalade EXT
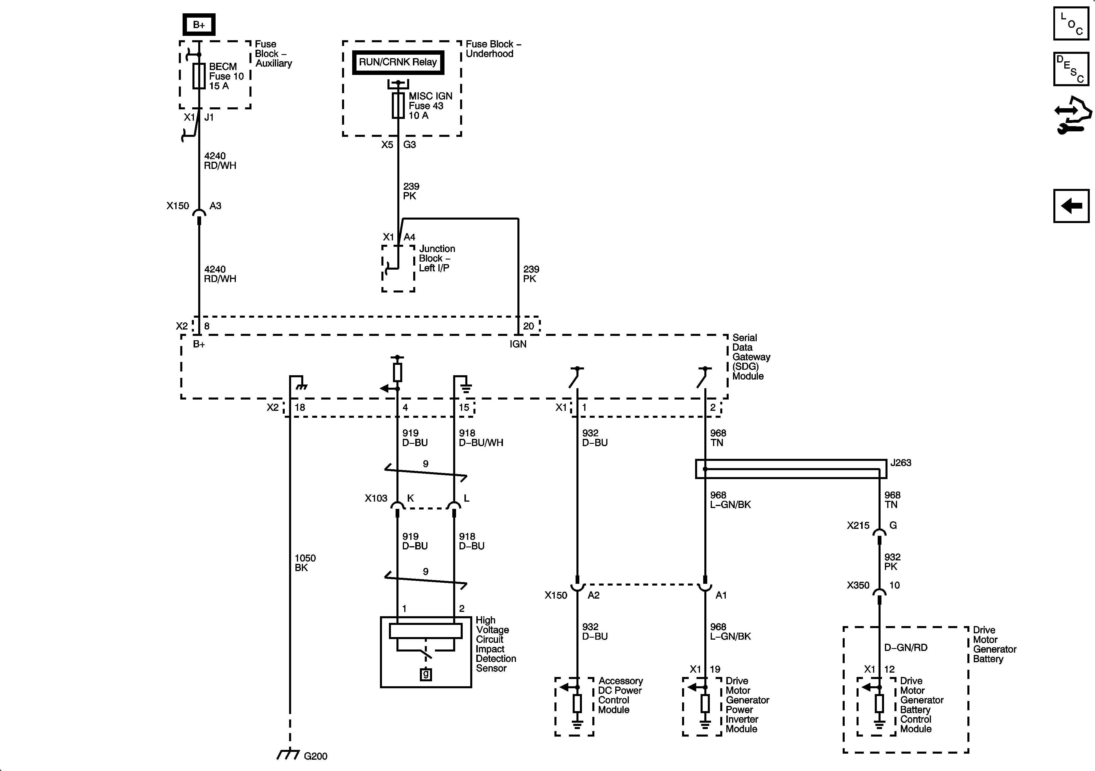
🢒 Serial DataGateway (SDG) Module (HP2)
Serial DataGateway (SDG) Module (HP2)
Serial Data Gateway (SDG) Module (HP2)
Master Electrical Component List
Data Link Communications Description and Operation
Control Module References
Powertrain Expansion Bus (HP2)
ACCM, ACPO, BECM, BECM FAN, CAB HTR PUMP, COOL PUMP, EPS, PIM 1 and PIM 2 Fuses
G200 - 1 of 2