GM Service Manual Online
For 1990-2009 cars only
Makes
🢒
Cadillac
🢒
2008
🢒
Escalade EXT
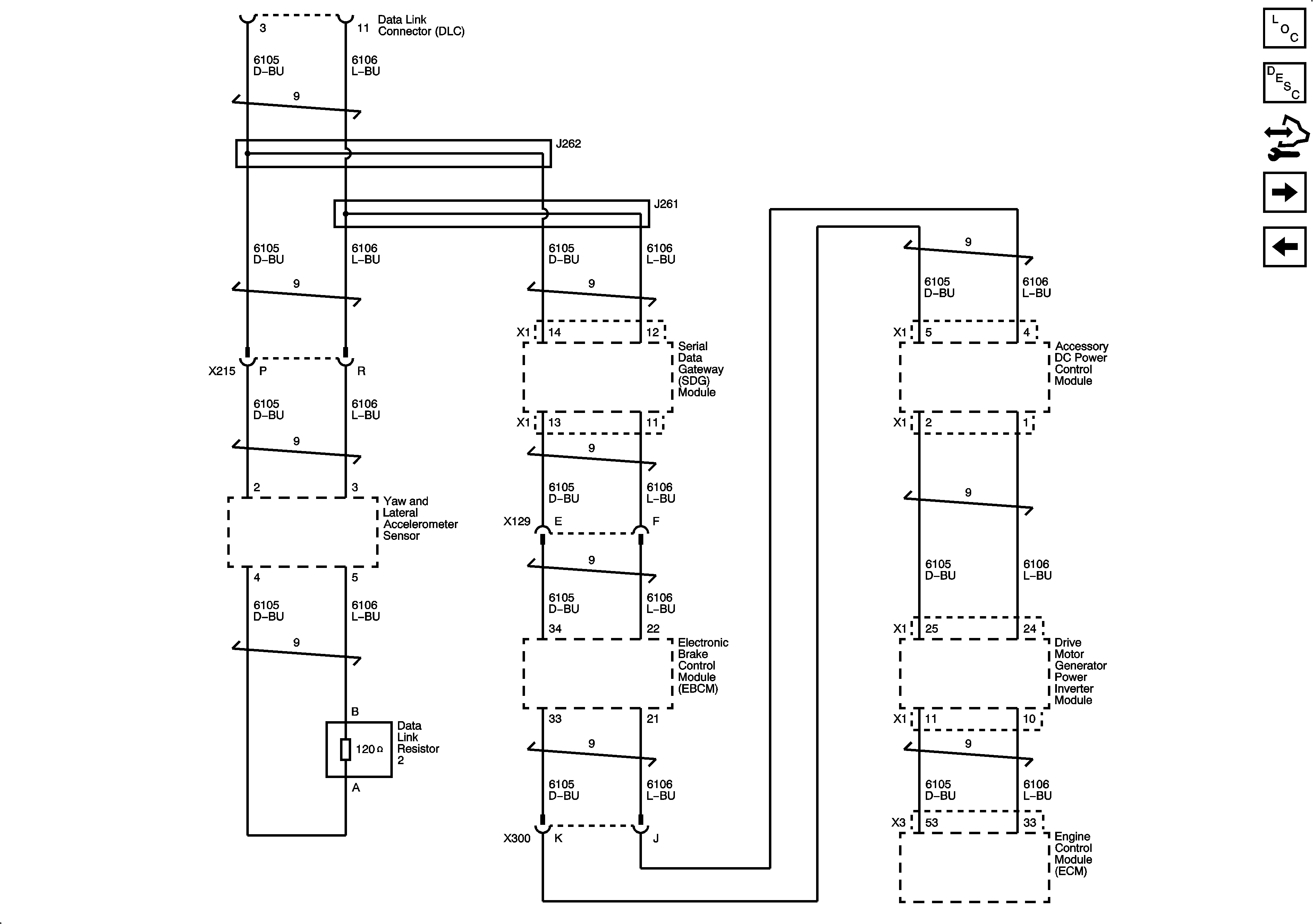
🢒 Powertrain Expansion Bus (HP2)
Powertrain Expansion Bus (HP2)
Powertrain Expansion Bus (HP2)
Master Electrical Component List
Data Link Communications Description and Operation
Control Module References
Serial Data Gateway (SDG) Module (HP2)
High Speed Bus (HP2)