GM Service Manual Online
For 1990-2009 cars only
Makes
🢒
Cadillac
🢒
2008
🢒
Escalade EXT
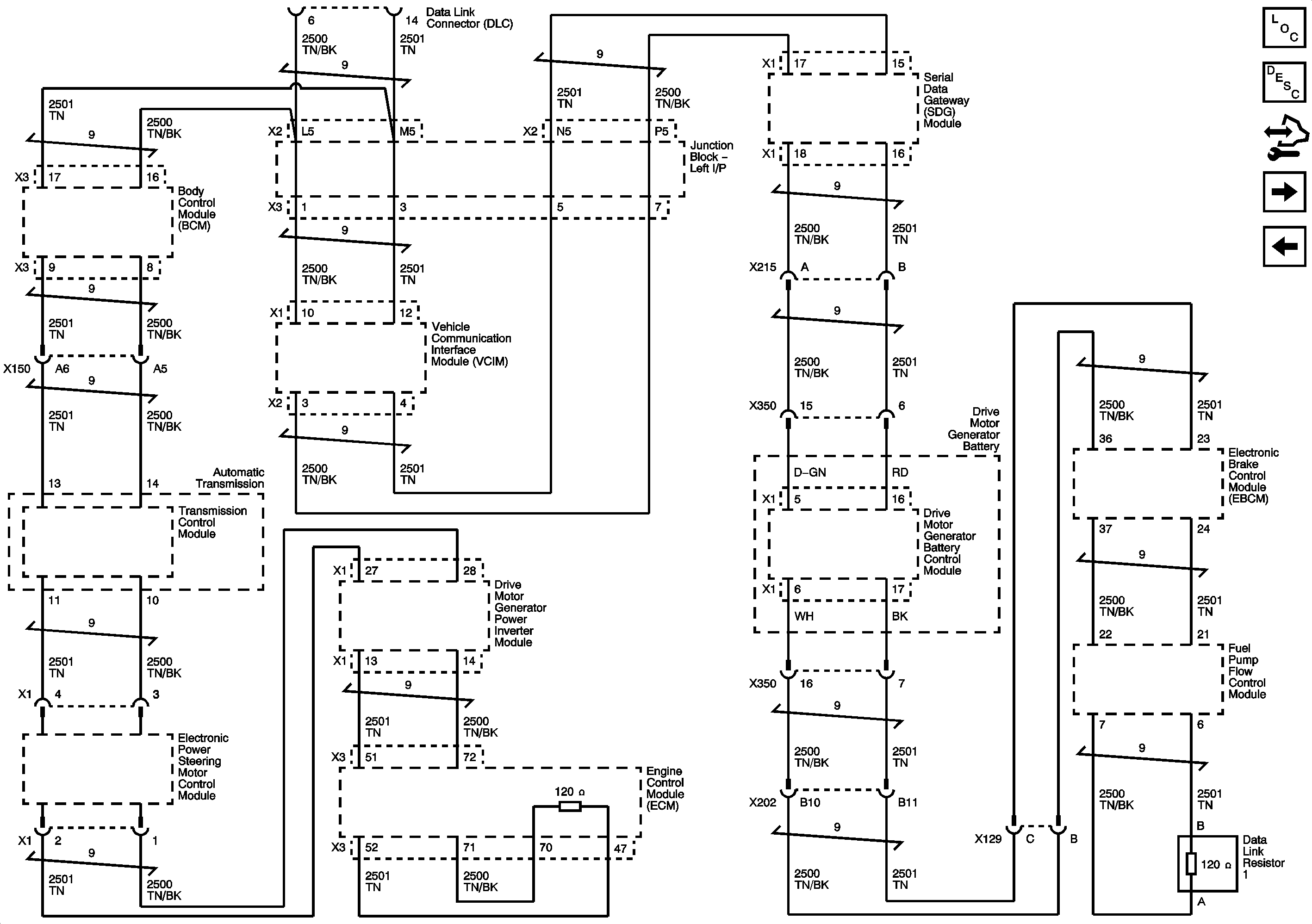
🢒 High Speed Bus (HP2)
High Speed Bus (HP2)
High Speed Bus (HP2)
Master Electrical Component List
Data Link Communications Description and Operation
Control Module References
Powertrain Expansion Bus (HP2)
Serial Data Communication Enable and Wake-up Circuits