GM Service Manual Online
For 1990-2009 cars only
Makes
🢒
Cadillac
🢒
2008
🢒
SLS
🢒
Brakes
🢒
Antilock Brake System
🢒 Antilock Brake System Schematics
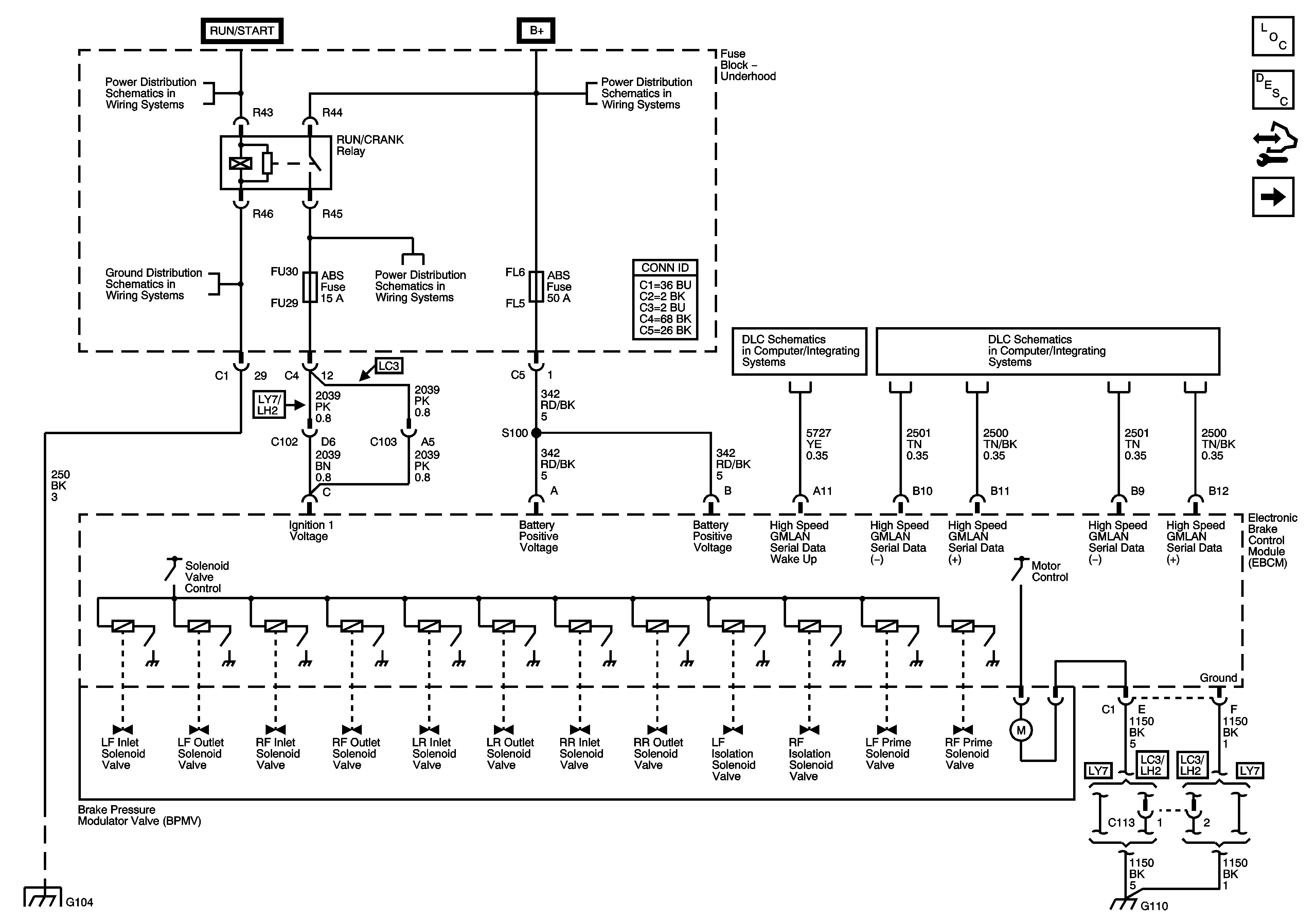
Figure
1:
EBCM Module Power, Ground and DLC
Master Electrical Component List
ABS Description and Operation
Control Module References
Wheel Speed Sensors
Fuse Block Right Rear: LT Turn Signal, RIM(1), Rear Fog Lamp, FT Passenger Door Module, Heated Steering Column, IGN 1, RIM(2) and Airbag Fuses; Rear Fog Lamp and IGN 1 Relays
Fuse Block Underhood Bussing
G104 (1 of 2)
Fuse Block Underhood Bussing
GMLAN High Speed Serial Data Wake-Up
GMLAN High Speed - Domestic w/ UE1
G104 (1 of 2)
G110, G306, G404, G403, G105, G106
Figure
2:
Wheel Speed Sensors
Master Electrical Component List
ABS Description and Operation
Control Module References
Stability Control System
EBCM Module Power, Ground and DLC
Antilock Brake System Schematic Icons
Antilock Brake System Schematic Icons
Antilock Brake System Schematic Icons
Antilock Brake System Schematic Icons
Antilock Brake System Schematic Icons
Antilock Brake System Schematic Icons
Figure
3:
Stability Control System
Master Electrical Component List
ABS Description and Operation
Control Module References
Indicator and Traction Control
Wheel Speed Sensors
Steering Assist Schematics
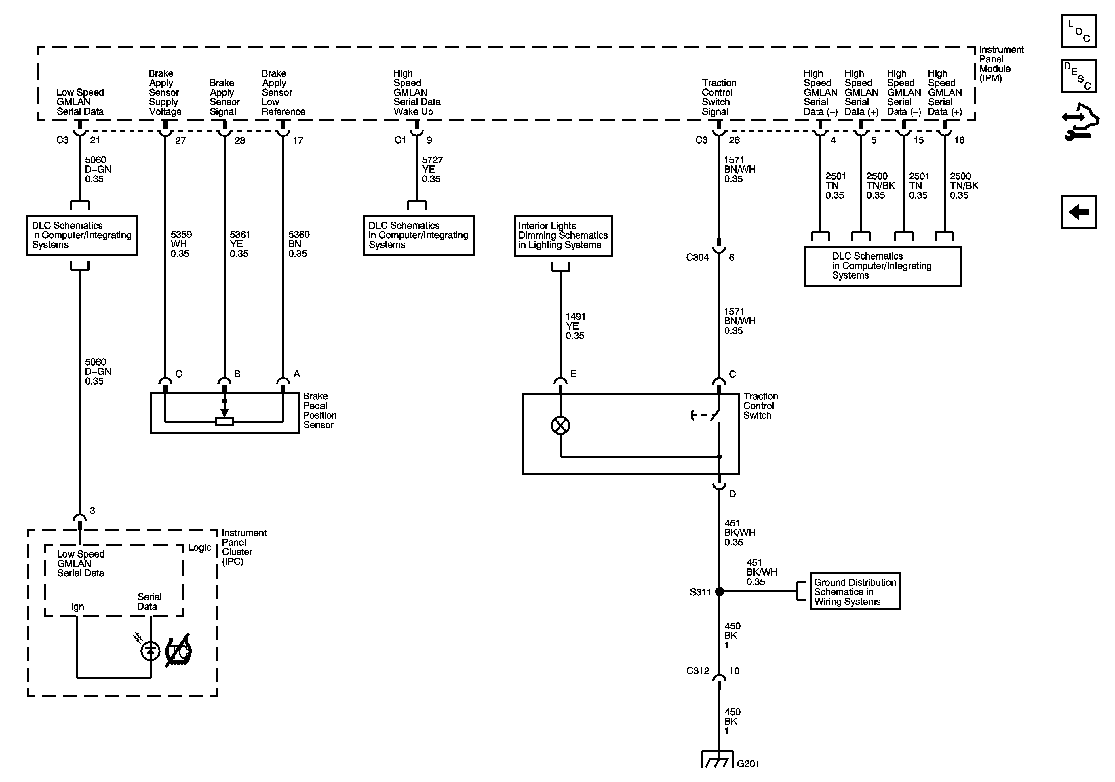
Figure
4:
Indicator and Traction Control
Master Electrical Component List
ABS Description and Operation
Control Module References
Stability Control System
GMLAN Low Speed (2 of 2)
GMLAN High Speed Serial Data Wake-Up
Dimming Lamps (1 of 3)
Data Link Connector Schematics
G201 (1 of 2)
G201 (1 of 2)