GM Service Manual Online
For 1990-2009 cars only
Makes
🢒
Cadillac
🢒
2008
🢒
SLS
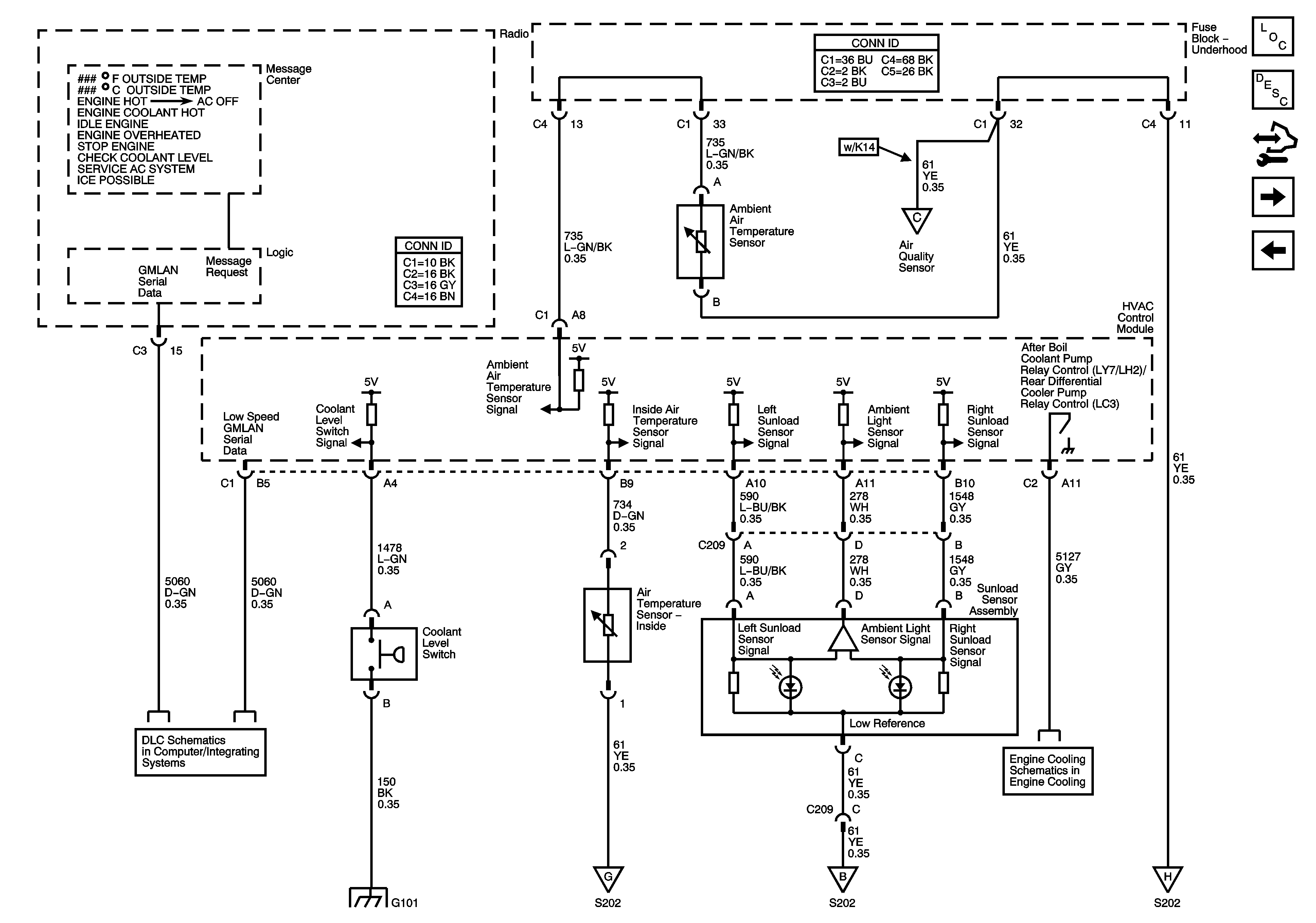
🢒 DLC, Temperature Controls, Sunload Sensor
DLC, Temperature Controls, Sunload Sensor
DLC, Temperature Controls, Sunload Sensor
Master Electrical Component List
Air Temperature Description and Operation
Control Module References
A/C Refrigerant Pressure Sensor and Compressor Clutch
Air Delivery, EVAP Temperature Sensor, Rear Passenger Air Temperature Actuator
Air Quality Sensor, Rear Mode Motor
GMLAN Low Speed (2 of 2)
G101
Power, Ground, Blower Motor, Recirculation Actuator
Power, Ground, Blower Motor, Recirculation Actuator
Coolant Level Switch and After Boil Coolant Pump w/ LH2/V92/V03
Power, Ground, Blower Motor, Recirculation Actuator