GM Service Manual Online
For 1990-2009 cars only
Makes
🢒
Cadillac
🢒
2008
🢒
SLS
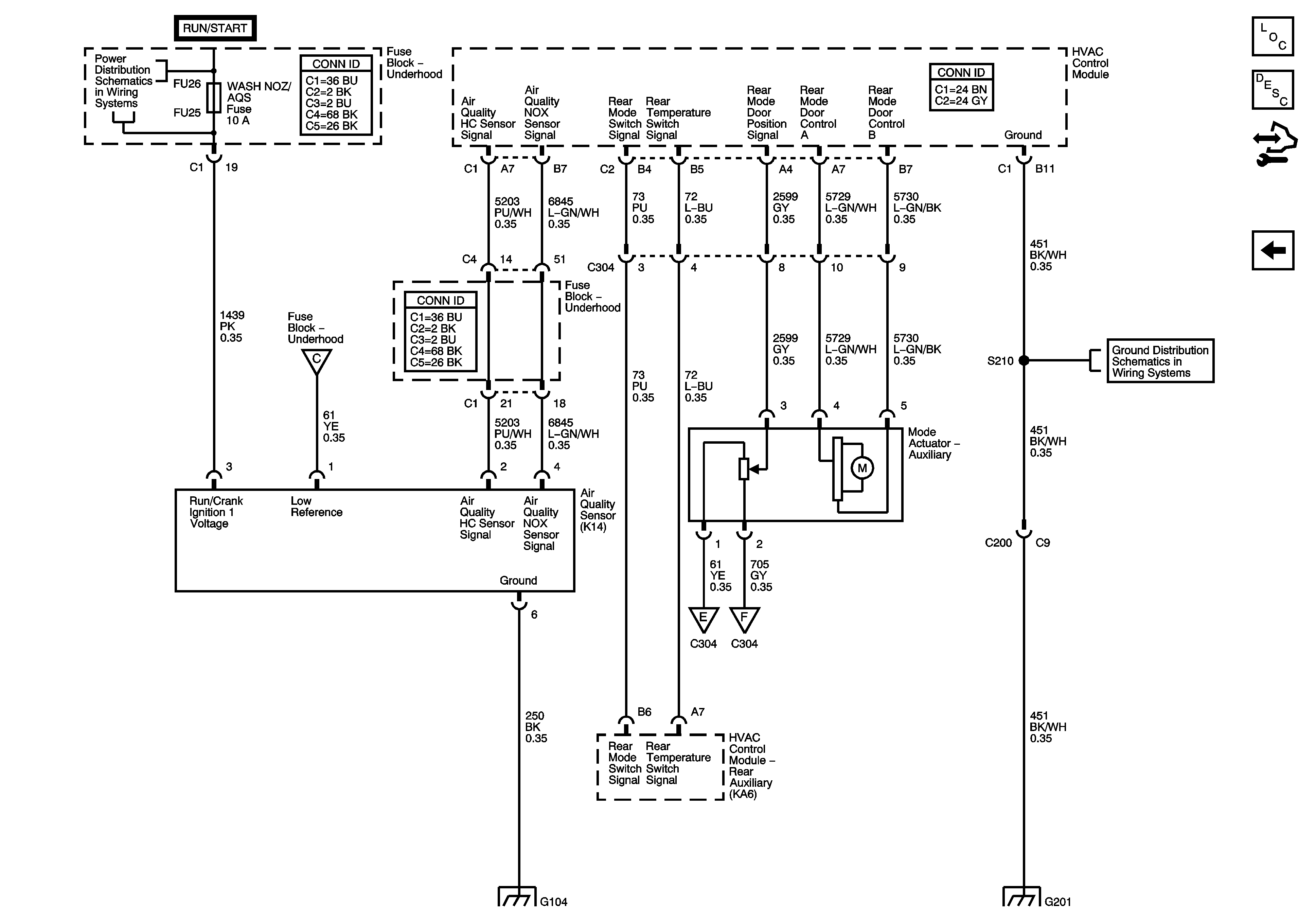
🢒 Air Quality Sensor, Rear Mode Motor
Air Quality Sensor, Rear Mode Motor
Air Quality Sensor, Rear Mode Motor
Master Electrical Component List
Air Delivery Description and Operation
Control Module References
A/C Refrigerant Pressure Sensor and Compressor Clutch
DLC, Temperature Controls, Sunload Sensor
G104 (2 of 2)
Power, Ground, Blower Motor, Recirculation Actuator
Power, Ground, Blower Motor, Recirculation Actuator
Radio Antennas, Audio/Video Adapter
G201 (2 of 2)
G201 (2 of 2)