GM Service Manual Online
For 1990-2009 cars only
Makes
🢒
Cadillac
🢒
2008
🢒
SLS
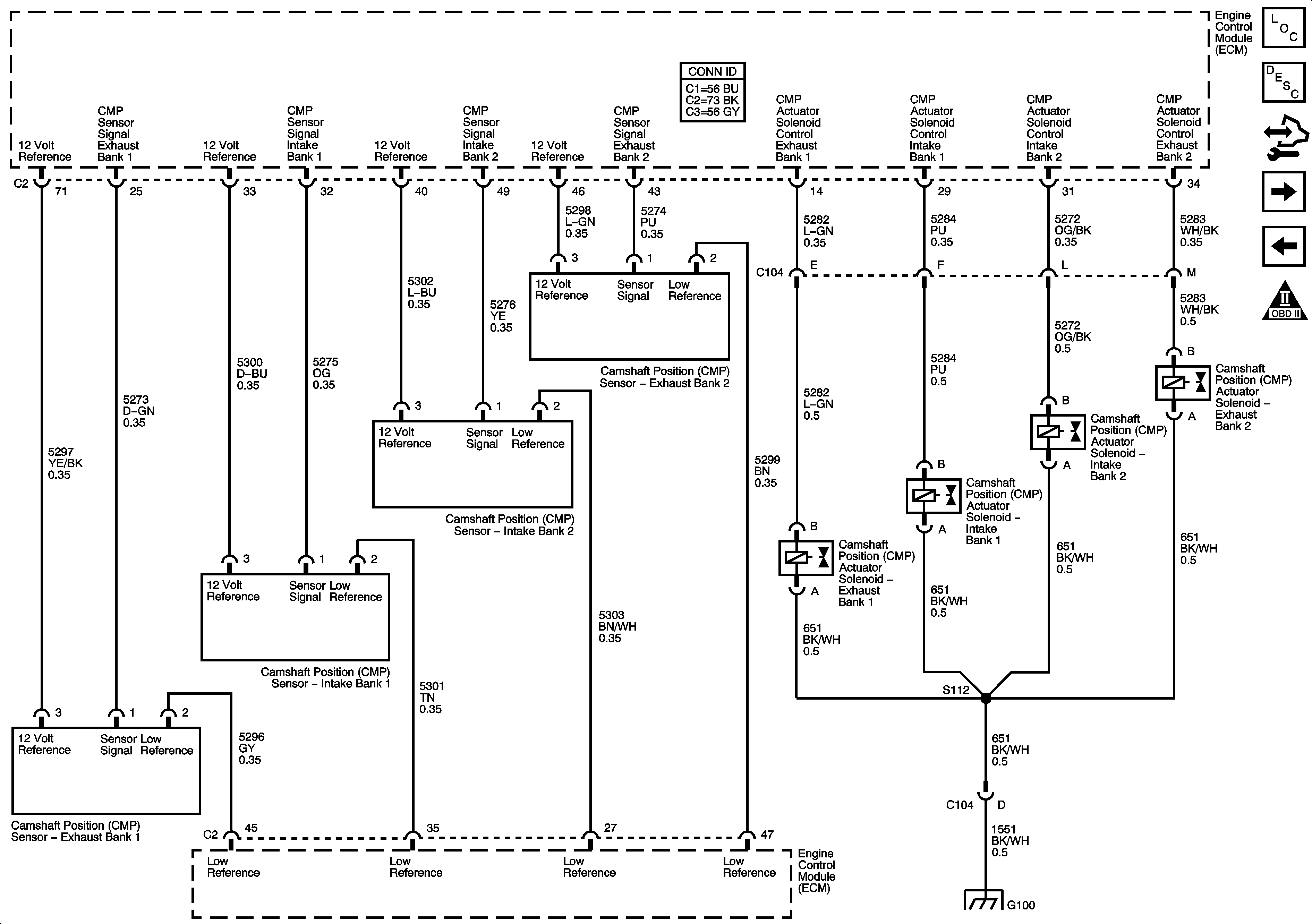
🢒 Camshaft Position (CMP) Sensors and Actuators
Camshaft Position (CMP) Sensors and Actuators
Ignition Controls - CMP Sensors and Solenoids
Master Electrical Component List
Camshaft Actuator System Description
Control Module References
Ignition Controls - Crankshaft Position (CKP) Sensor and Knock Sensors
Ignition Controls - Ignition System Bank 2
Engine Controls Schematic Icons
06 STS Ground Dist - G100 (LH2)