GM Service Manual Online
For 1990-2009 cars only
Makes
🢒
Cadillac
🢒
2008
🢒
SLS
🢒 Fuel Controls - Fuel Pump and Injectors
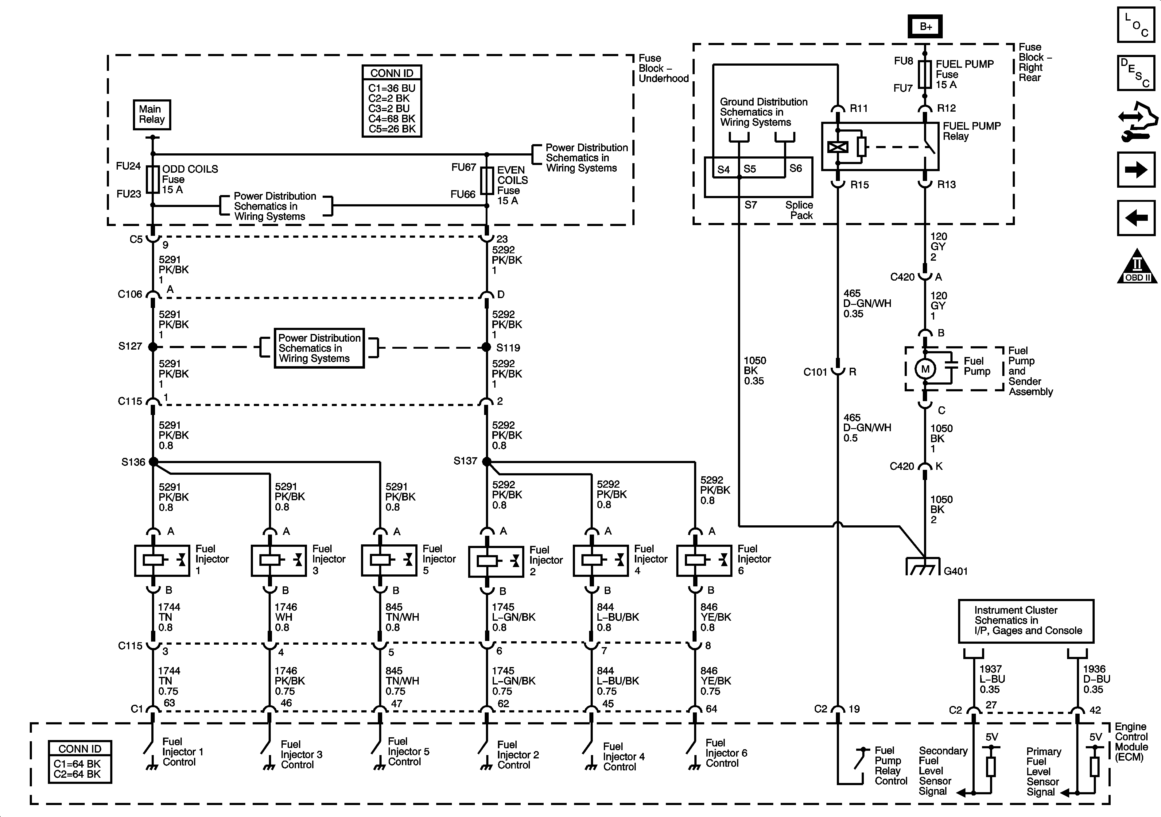
Fuel Controls - Fuel Pump and Injectors
Fuel Controls - Fuel Pump and Injectors
Master Electrical Component List
Engine Control Module Description
Control Module References
Fuel Controls - EVAP Controls
Ignition Controls - Crankshaft Position (CKP) and Knock Sensors
Engine Controls Schematic Icons
Fuse Block - Underhood: Odd INJ/COILS, Even INJ COILS and POST 02 Fuses
Fuse Block Underhood Bussing
G401 (1 of 2)
Fuse Block - Underhood: Odd INJ/COILS, Even INJ COILS and POST 02 Fuses
G401 (1 of 2)
Engine Oil and Fuel Tank Level