GM Service Manual Online
For 1990-2009 cars only
Makes
🢒
Cadillac
🢒
2008
🢒
SLS
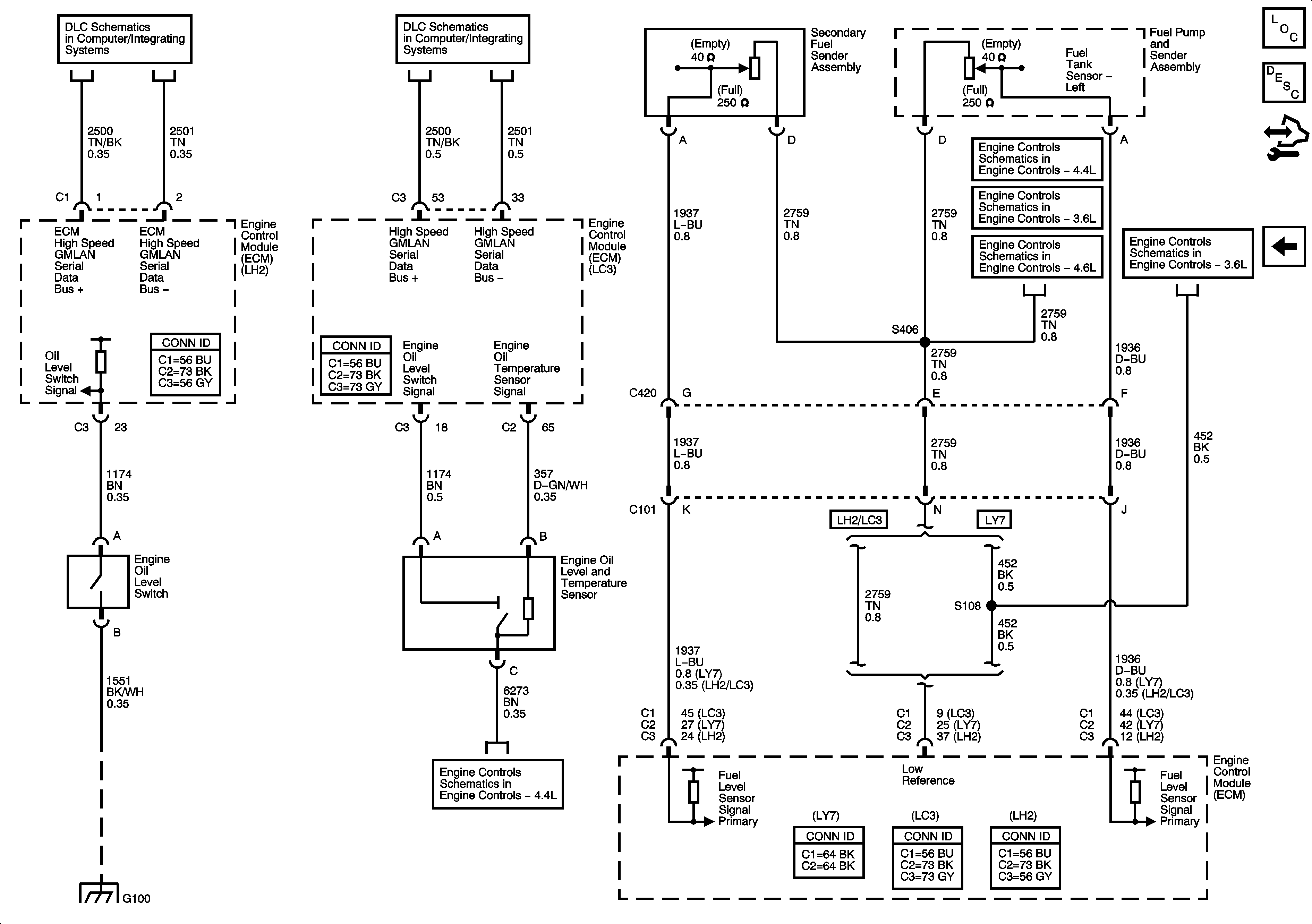
🢒 Engine Oil and Fuel Tank Level
Engine Oil and Fuel Tank Level
Master Electrical Component List
Instrument Cluster Description and Operation
Control Module References
DIC/Dimmer Switch
GMLAN High Speed - Domestic w/ UE1
GMLAN High Speed - Domestic w/ UE1
Engine Data Sensor 5-Volt and Low Reference
Engine Data Sensors - Low Reference Bus
Engine Data Sensors - 5-Volt and Low References
Engine Data Sensors - Low Reference Bus
06 STS Ground Dist - G100 (LH2)
Engine Data Sensors - Low Reference Bus