GM Service Manual Online
For 1990-2009 cars only
Makes
🢒
Cadillac
🢒
2008
🢒
SLS
🢒 Power, Ground, Odometer and Clock
Power, Ground, Odometer and Clock
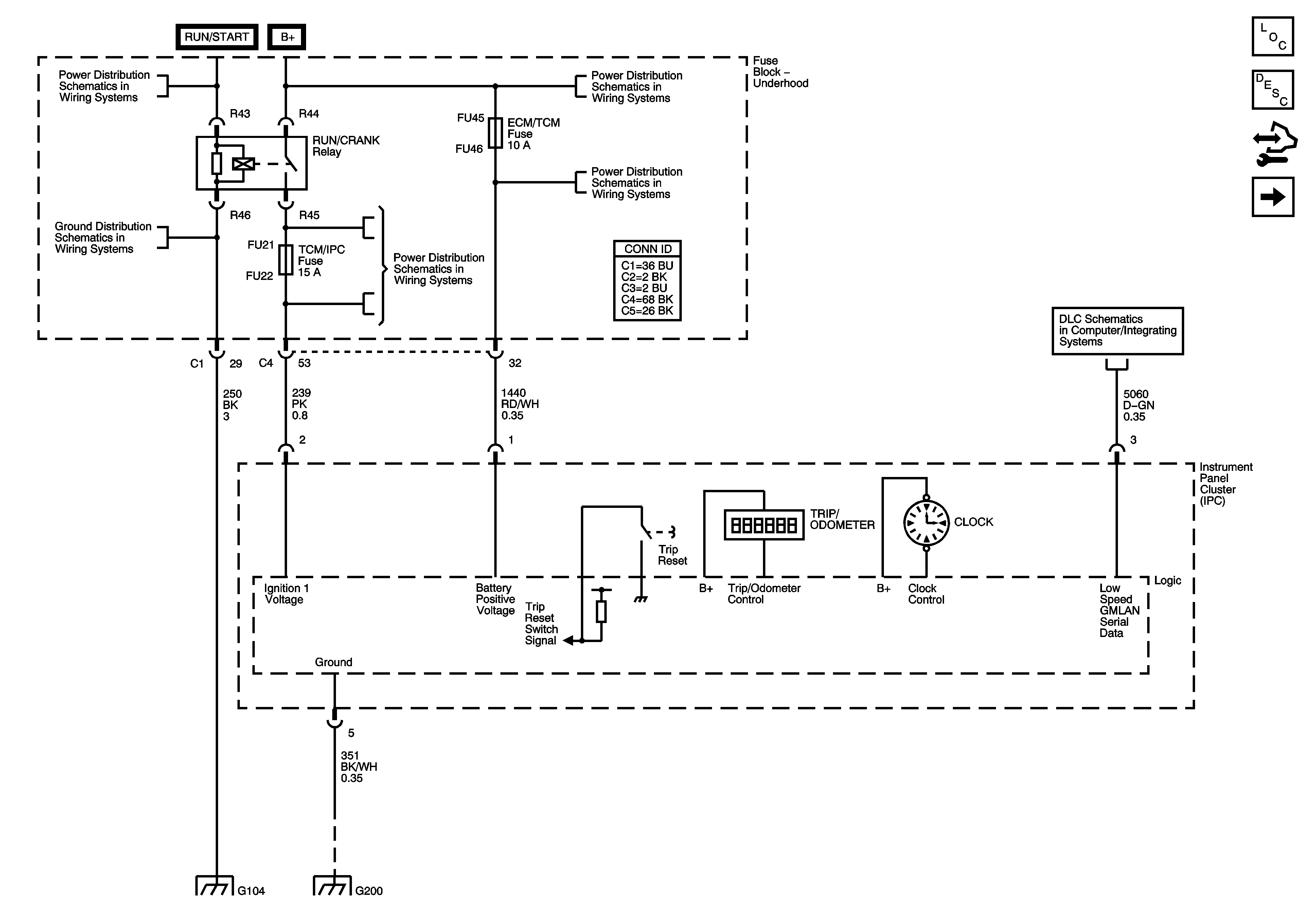
Power, Ground, DLC, Odometer and Clock
Master Electrical Component List
Instrument Cluster Description and Operation
Control Module References
Indicators
Fuse Block Right Rear: LT Turn Signal, RIM(1), Rear Fog Lamp, FT Passenger Door Module, Heated Steering Column, IGN 1, RIM(2) and Airbag Fuses; Rear Fog Lamp and IGN 1 Relays
Fuse Block Underhood Bussing
G104 (1 of 2)
Fuse Block - Underhood: Starter IGN 1 Relays; Starter, Starter Relay, CCP TCM/IPM/ECM, MAF, ABS and Washer Nozzle/ACC Fuses
Fuse Block - Underhood Fuses/Relays: IPM/ALDL, Auto Headlamp Dimming, CCP, ECM/TCM, WPR MOD, WPR SW/VICS and Rain Sensor/HDLP Wash Fuses, Accessory Relay
G104 (1 of 2)
G200 (2 of 2)
GMLAN Low Speed (2 of 2)