GM Service Manual Online
For 1990-2009 cars only
Makes
🢒
Cadillac
🢒
2008
🢒
SLS
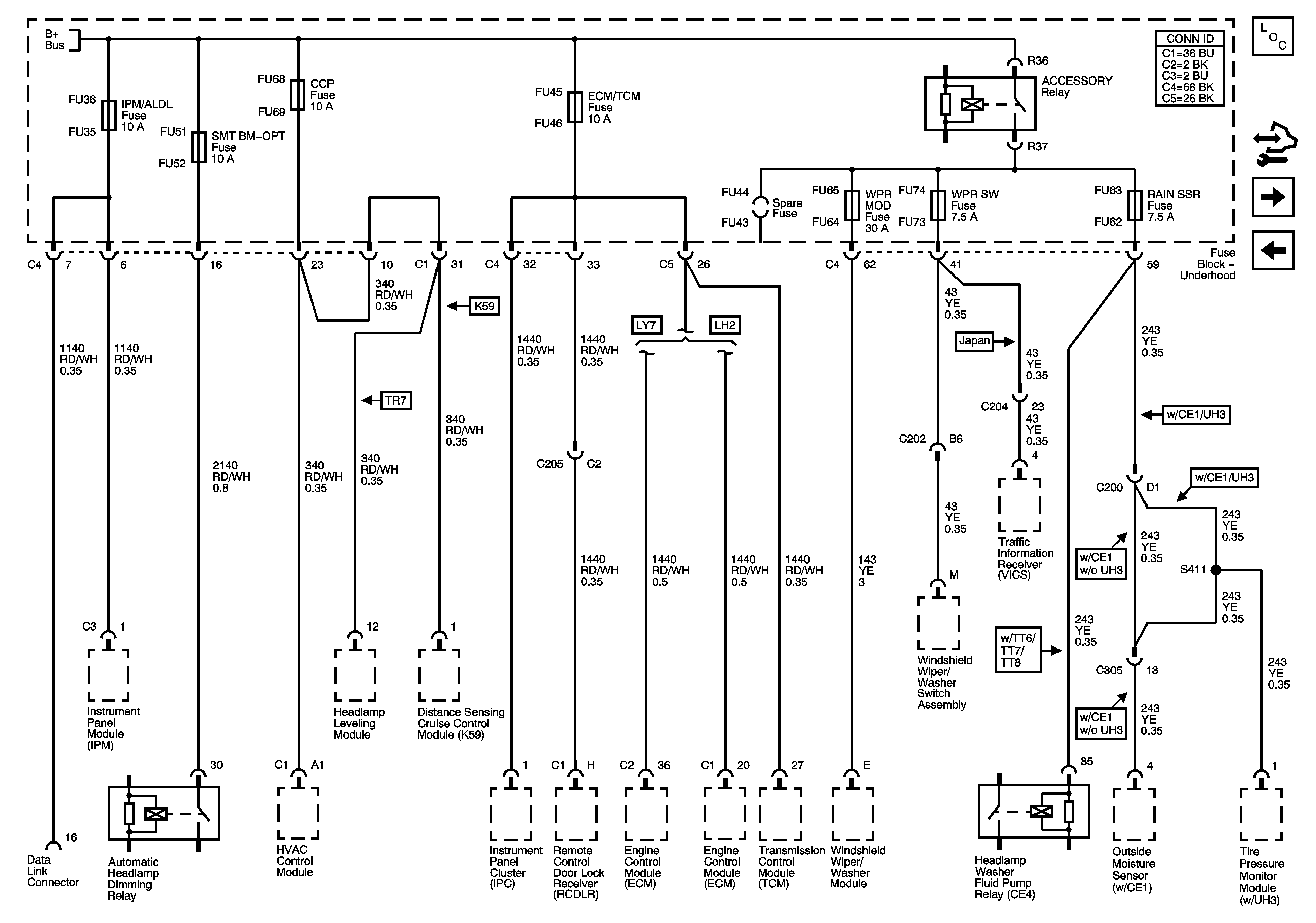
🢒 Fuse Block - Underhood Fuses/Relays: IPM/ALDL, Auto Headlamp Dimming, CCP, ECM/TCM, WPR MOD, WPR SW/VICS and Rain Sensor/HDLP Wash Fuses, Accessory Relay
Fuse Block - Underhood Fuses/Relays: IPM/ALDL, Auto Headlamp Dimming, CCP, ECM/TCM, WPR MOD, WPR SW/VICS and Rain Sensor/HDLP Wash Fuses, Accessory Relay
Fuse Block - Underhood Fuses/Relay: IPM/ALDL, SMART BEAM, CCP, ECM/TCM, WPR MOD, WPR SW/VICS and RAIN SENSOR/HDLP WASH FUSES, ACCESSORY RELAY
Master Electrical Component List
Control Module References
Fuse Block - Underhood: Starter IGN 1 Relays; Starter, Starter Relay, CCP TCM/IPM/ECM, MAF, ABS and Washer Nozzle/ACC Fuses
Fuse Block - Underhood Relays/Fuses: LT Park Fuse, License/Dimming Fuse
Fuse Block Underhood Bussing