GM Service Manual Online
For 1990-2009 cars only
Makes
🢒
Cadillac
🢒
2008
🢒
SLS
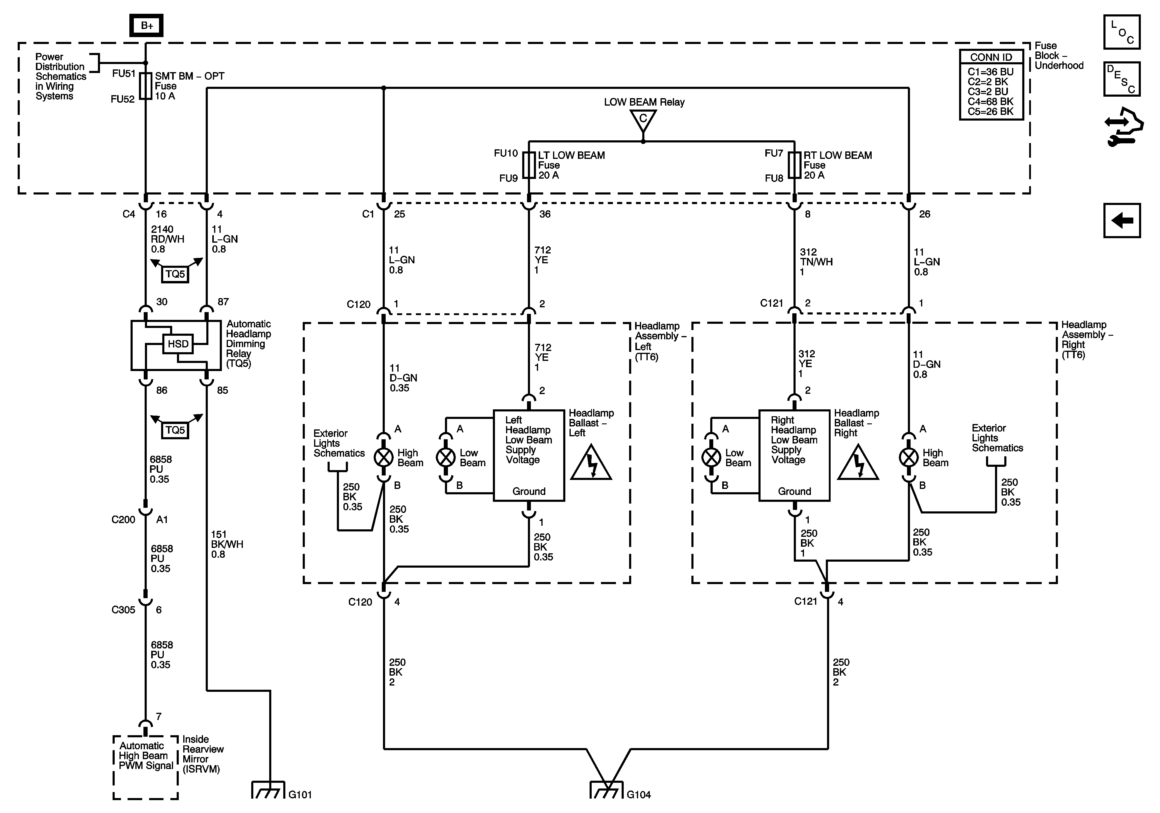
🢒 Headlamps w/ TT6, Automatic Headlamp Dimming Relay
Headlamps w/ TT6, Automatic Headlamp Dimming Relay
Automatic Headlamp Dimming Relay w/TT6, Headlamps w/TT6
Master Electrical Component List
Exterior Lighting Systems Description and Operation
Control Module References
Headlamps w/ and w/o TT7/TT8
Fuse Block Underhood Bussing
Headlamp Switch, Ambient Light Sensor and DLC
License, Park and Front Side Marker Lamps - Domestic
Lighting Systems Schematic Icons
Lighting Systems Schematic Icons
License, Park and Front Side Marker Lamps - Domestic
G101
G104 (1 of 2)