GM Service Manual Online
For 1990-2009 cars only
Makes
🢒
Cadillac
🢒
2008
🢒
SLS
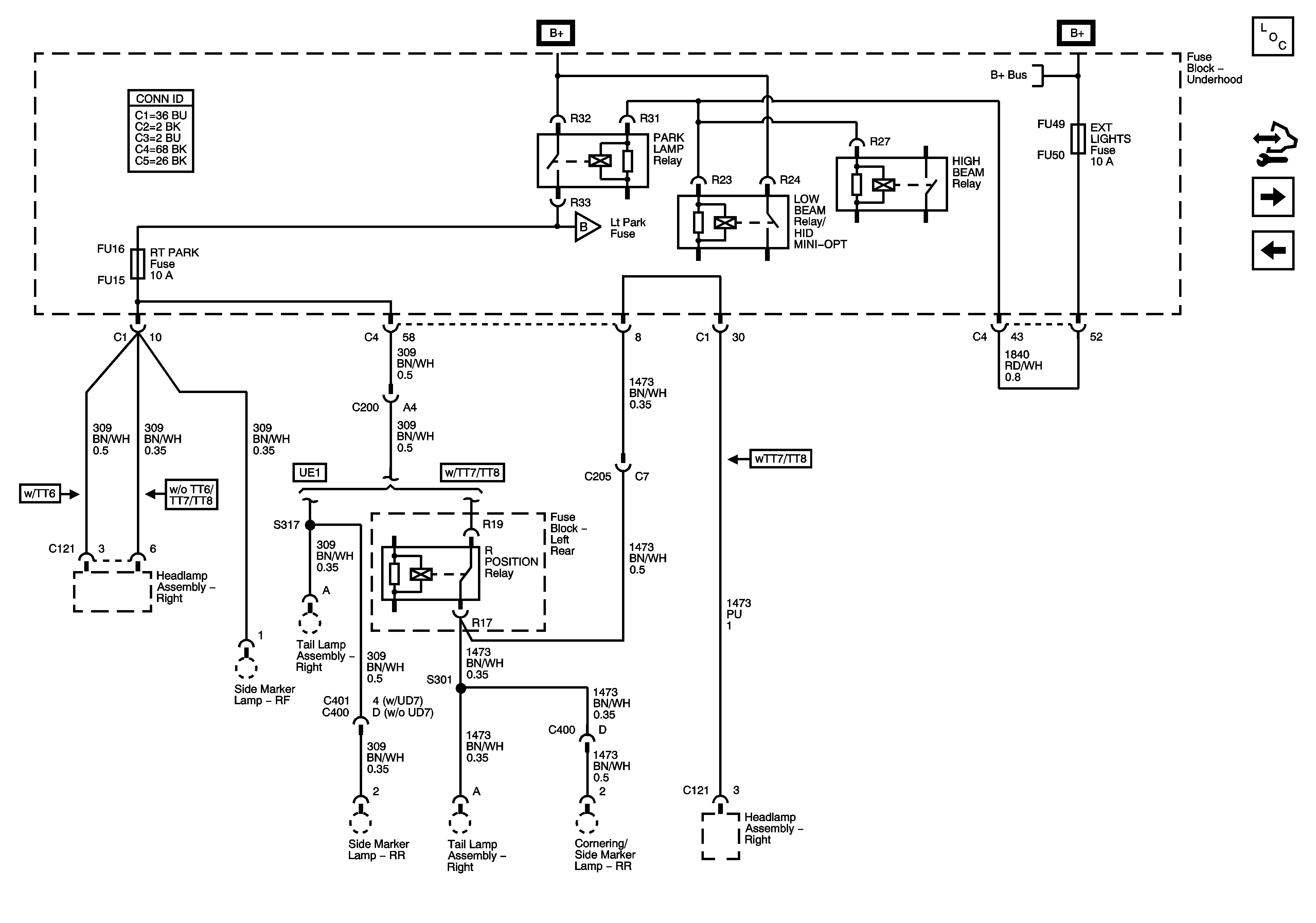
🢒 Fuse Block Underhood Relays/Fuses: Park Lamp Relay, RT Park Fuse, Tilt/LK/LMP/CLM Relay Coils Fuse
Fuse Block Underhood Relays/Fuses: Park Lamp Relay, RT Park Fuse, Tilt/LK/LMP/CLM Relay Coils Fuse
Fuse Block - Underhood Relay/Fuses: PARK LAMP RELAY, RT PARK FUSE, TILT/LK/LMP/CLM RELAY COILS FUSE
Master Electrical Component List
Control Module References
Fuse Block - Underhood Relays/Fuses: LT Park Fuse, License/Dimming Fuse
Fuse Block Right Rear Bussing
Fuse Block - Underhood Relays/Fuses: LT Park Fuse, License/Dimming Fuse