GM Service Manual Online
For 1990-2009 cars only
Makes
🢒
Cadillac
🢒
2008
🢒
SLS
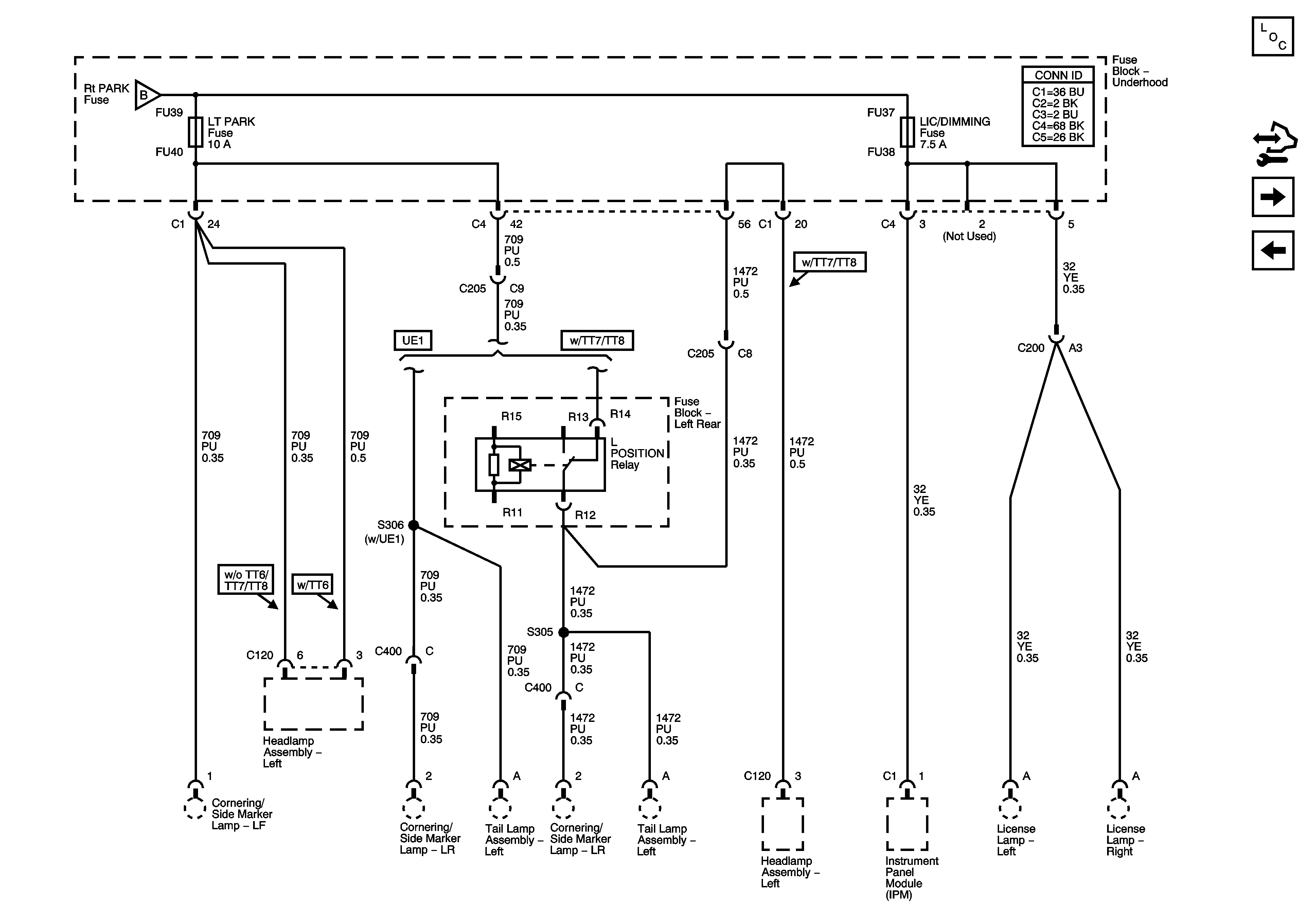
🢒 Fuse Block - Underhood Relays/Fuses: LT Park Fuse, License/Dimming Fuse
Fuse Block - Underhood Relays/Fuses: LT Park Fuse, License/Dimming Fuse
Fuse Block - Underhood Fuses: LT PARK FUSE, LICENSE/DIMMING FUSE
Master Electrical Component List
Control Module References
Fuse Block - Underhood Fuses/Relays: IPM/ALDL, Auto Headlamp Dimming, CCP, ECM/TCM, WPR MOD, WPR SW/VICS and Rain Sensor/HDLP Wash Fuses, Accessory Relay
Fuse Block Underhood Relays/Fuses: Park Lamp Relay, RT Park Fuse, Tilt/LK/LMP/CLM Relay Coils Fuse
Fuse Block Underhood Relays/Fuses: Park Lamp Relay, RT Park Fuse, Tilt/LK/LMP/CLM Relay Coils Fuse