GM Service Manual Online
For 1990-2009 cars only
Makes
🢒
Cadillac
🢒
2008
🢒
SLS
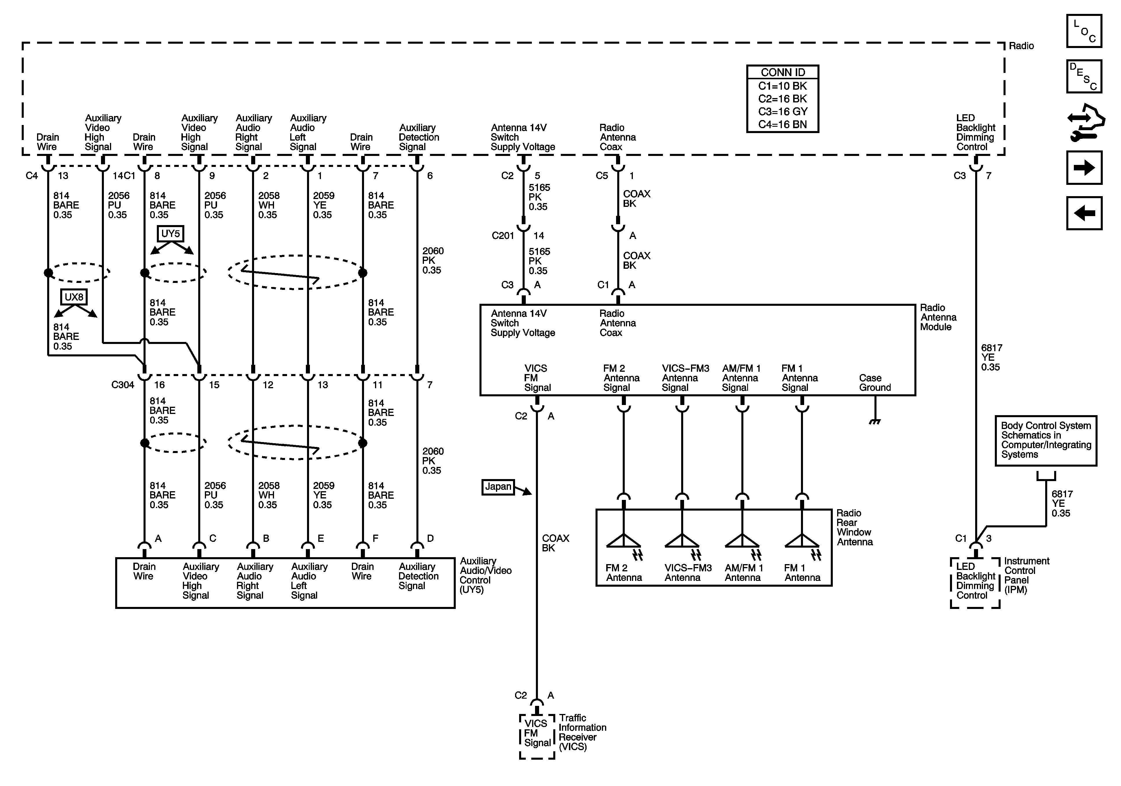
🢒 Radio Antennas, Audio/Video Adapter
Radio Antennas, Audio/Video Adapter
Radio Antennas, Audio/Video Adapter
Master Electrical Component List
Radio/Audio System Description and Operation
Control Module References
Digital Radio Receiver w/ U2K
Speakers w/ UY5 (3 of 3)
Air Quality Sensor, Rear Mode Motor