GM Service Manual Online
For 1990-2009 cars only
Makes
🢒
Cadillac
🢒
2008
🢒
SLS
🢒 Engine Data Sensors - Pressure, Temperature, MAF, VSS
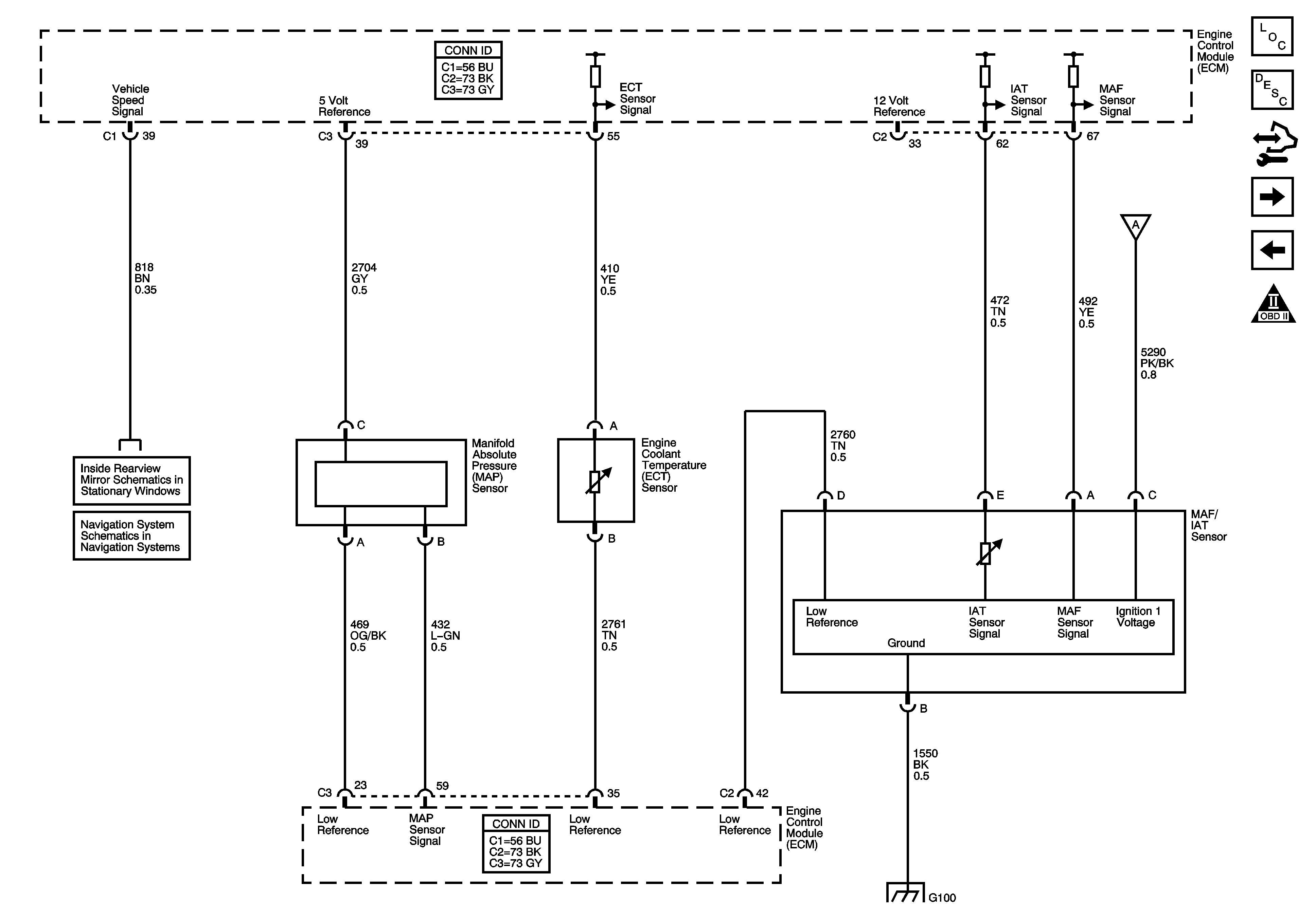
Engine Data Sensors - Pressure, Temperature, MAF, VSS
Engine Data Sensors - Pressure, Temperature, MAF, VSS
Master Electrical Component List
Air Intake System Description
Control Module References
Engine Data Sensors - Oxygen Sensors
Engine Data Sensor 5-Volt and Low Reference
Engine Controls Schematic Icons
ECM Power, Ground, Serial Data and MIL
06 STS Ground Dist - G100 (LH2)