GM Service Manual Online
For 1990-2009 cars only
Makes
🢒
Cadillac
🢒
2008
🢒
SLS
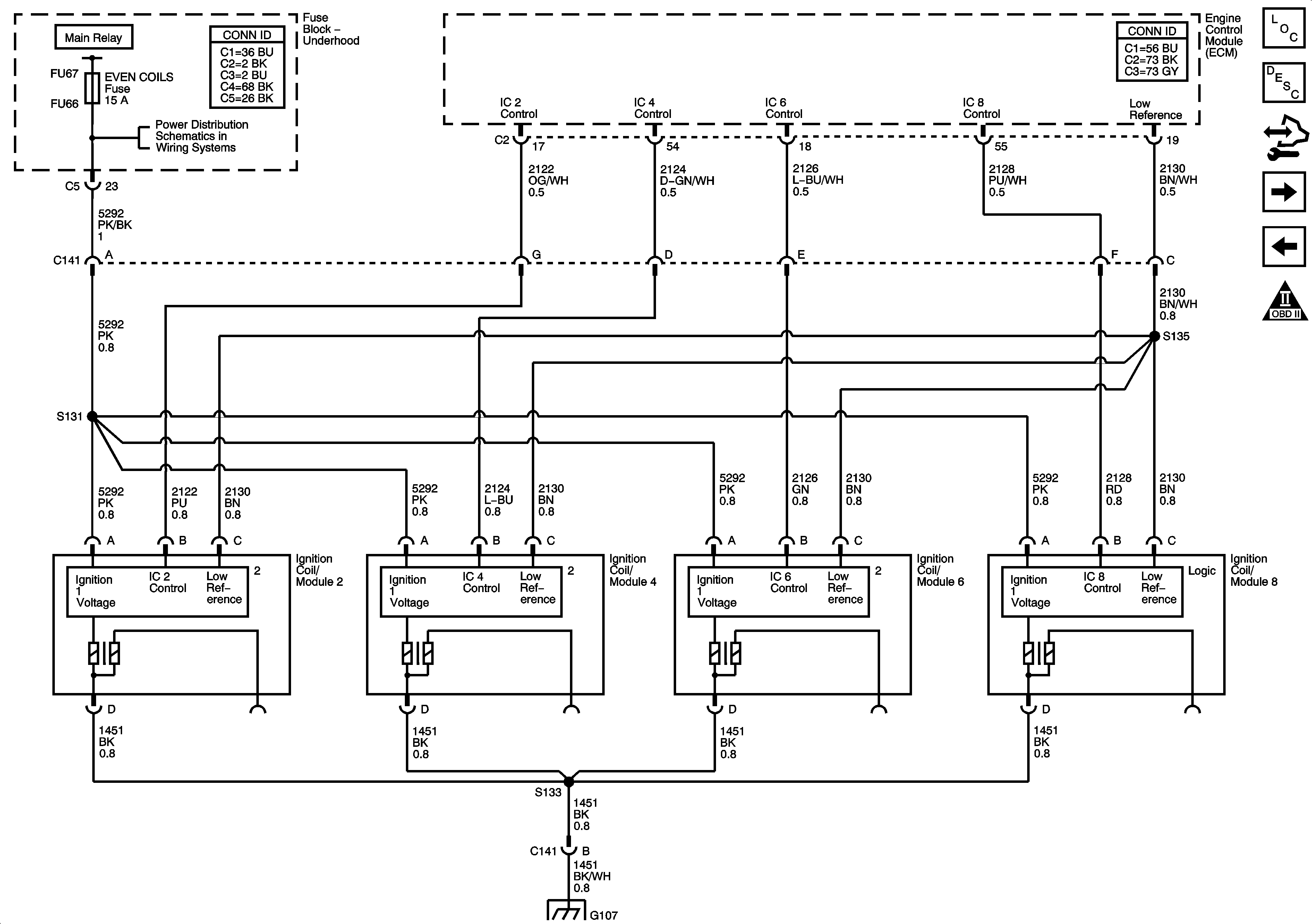
🢒 Ignition Controls - Ignition System Bank 2
Ignition Controls - Ignition System Bank 2
Ignition Controls - Ignition System Bank 2
Master Electrical Component List
Electronic Ignition (EI) System Description
Control Module References
Ignition Controls - CMP Sensors and Solenoids
Ignition Controls - Ignition System Bank 1
Engine Controls Schematic Icons
Fuse Block - Underhood: Odd INJ/COILS, Even INJ COILS and POST 02 Fuses
G107 (LH2), G113 (LY7)