GM Service Manual Online
For 1990-2009 cars only
Makes
🢒
Cadillac
🢒
2004
🢒
SRX
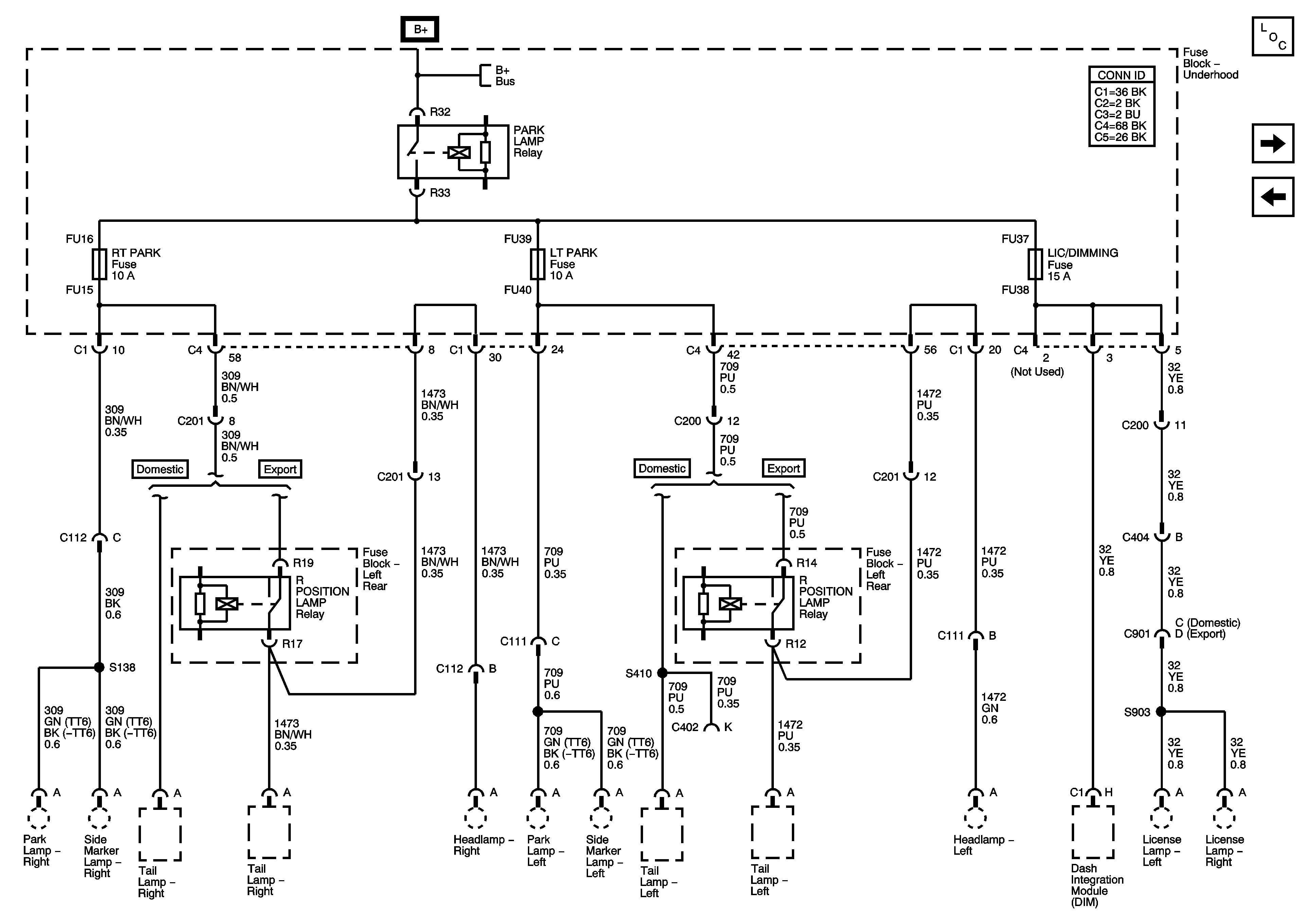
🢒 LIC/DIMMING , LT PARK, and RT PARK Fuses
LIC/DIMMING , LT PARK, and RT PARK Fuses
LIC/DIMMING, LT PARK, and RT PARK Fuses
Master Electrical Component List
HFVG, PRE02/CAM, and V8 ECM Fuses
RIM and THEFT Fuses and Ignition Switch - 2 of 2
Fuse Block - Underhood B+ Bus Schematic