GM Service Manual Online
For 1990-2009 cars only
Makes
🢒
Cadillac
🢒
2004
🢒
SRX
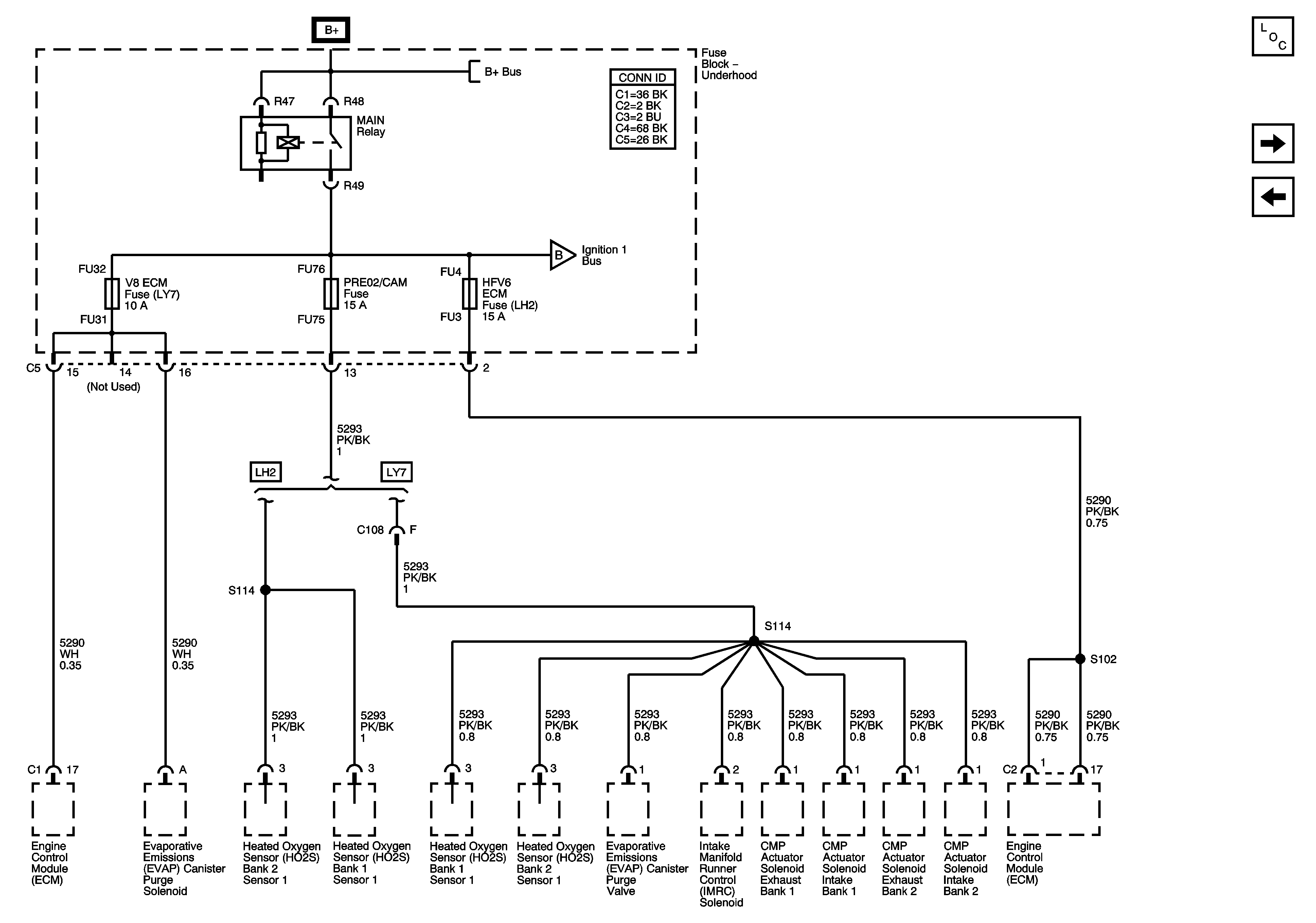
🢒 HFVG, PRE02/CAM, and V8 ECM Fuses
HFVG, PRE02/CAM, and V8 ECM Fuses
HFVG, PRE 02/CAM, and V8 ECM Fuses
Master Electrical Component List
EVEN COILS, ODD COILS Fuse and POST O2 Fuses
LIC/DIMMING , LT PARK, and RT PARK Fuses
Fuse Block - Underhood B+ Bus Schematic
EVEN COILS, ODD COILS Fuse and POST O2 Fuses