GM Service Manual Online
For 1990-2009 cars only
Makes
🢒
Cadillac
🢒
2004
🢒
SRX
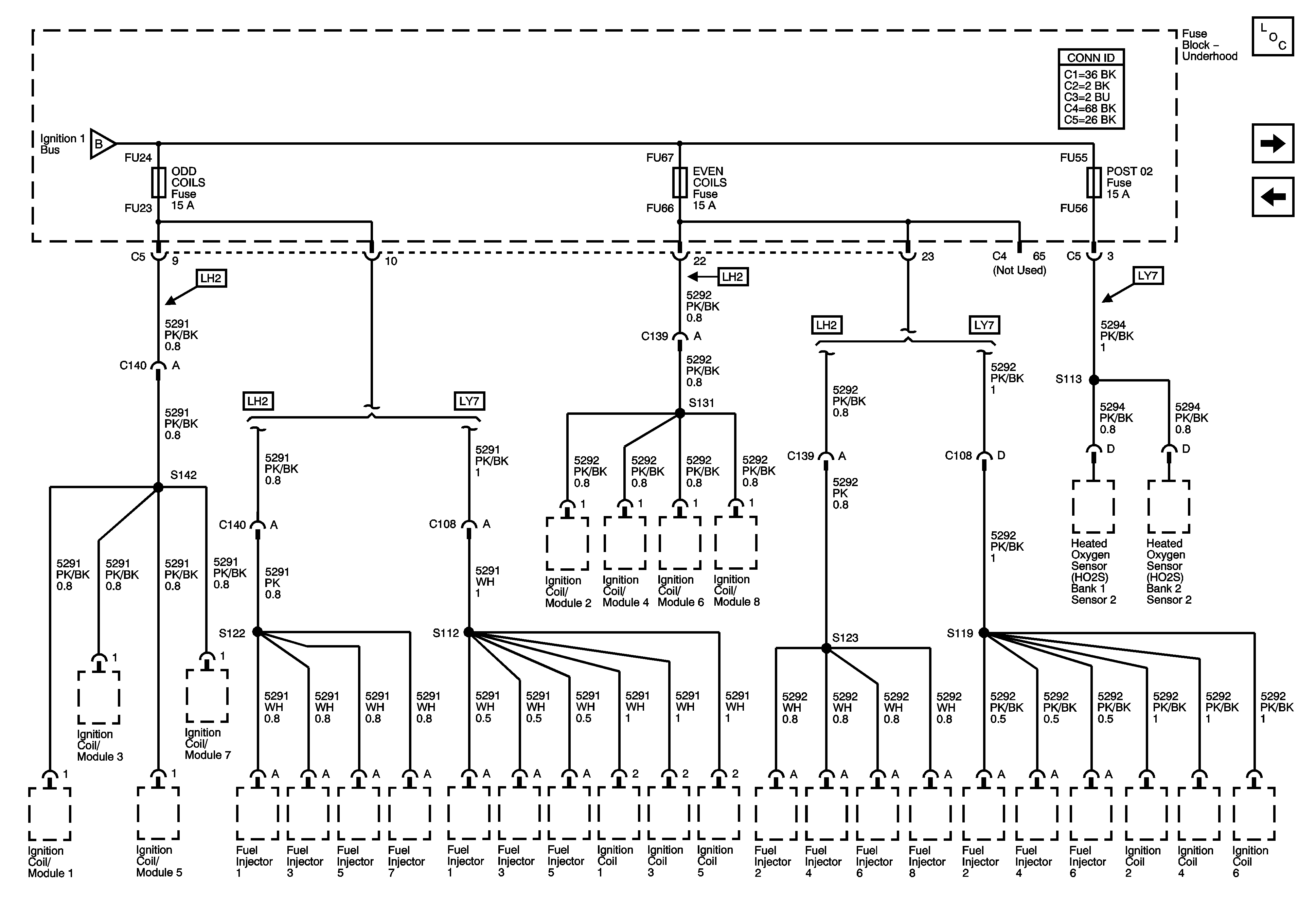
🢒 EVEN COILS, ODD COILS Fuse and POST O2 Fuses
EVEN COILS, ODD COILS Fuse and POST O2 Fuses
EVEN COILS, ODD COILS, and POST 02 Fuses
Master Electrical Component List
AIRBAG, CCP (RUN), EBCM (RUN), HDLP LEVELING, IGN 1, AND IGN 3 Fuses
HFVG, PRE02/CAM, and V8 ECM Fuses
HFVG, PRE02/CAM, and V8 ECM Fuses