GM Service Manual Online
For 1990-2009 cars only
Makes
🢒
Cadillac
🢒
2004
🢒
SRX
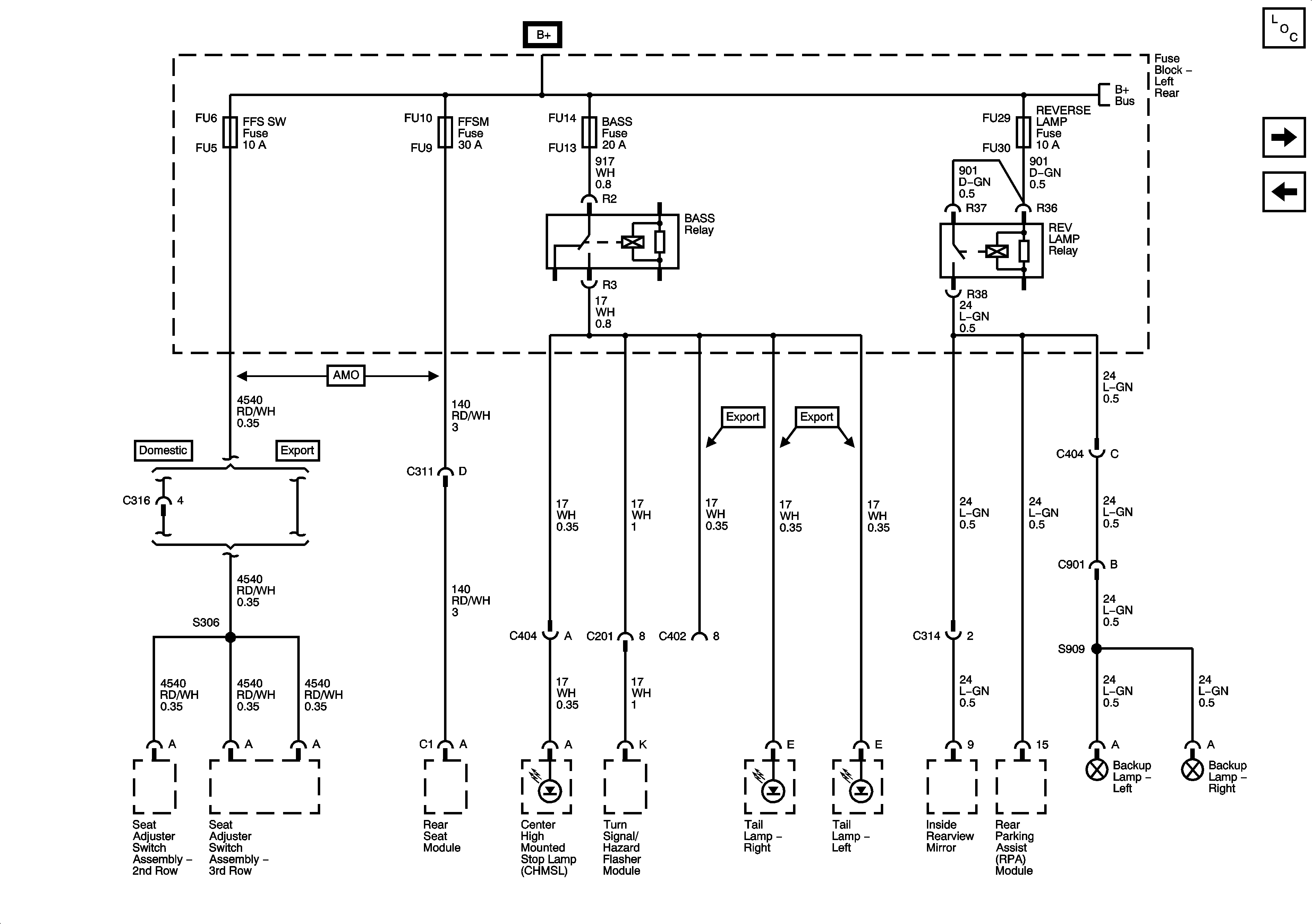
🢒 FFS SW, FFSM, BASS Fuses and BASS Relay schematic
FFS SW, FFSM, BASS Fuses and BASS Relay schematic
FFS SW, FFSM, BASS Fuses and BASS Relay
Master Electrical Component List
FFSM, FFS SW. and THEFT Fuses and SEAT Circuit Breaker
AMP, AUDIO, DRIVER DR MOD ELC COMP, L FRT HTD SEAT MOD, MEM/ADAPT SEAT, and REAR DR MOD Fuses