GM Service Manual Online
For 1990-2009 cars only
Makes
🢒
Cadillac
🢒
2004
🢒
SRX
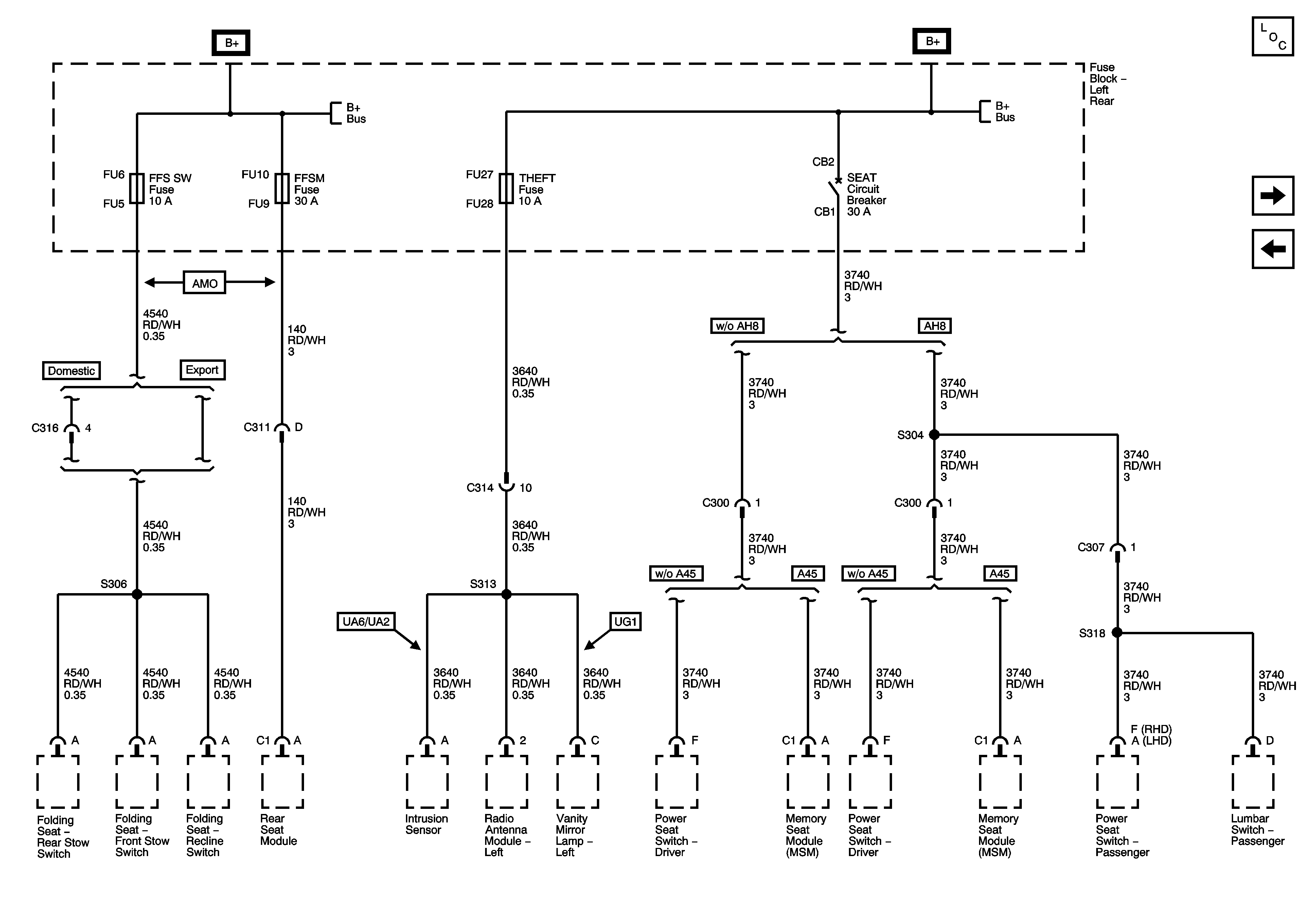
🢒 FFSM, FFS SW. and THEFT Fuses and SEAT Circuit Breaker
FFSM, FFS SW. and THEFT Fuses and SEAT Circuit Breaker
FFSM, FFS SW, and THEFT Fuses and SEAT Circuit Breaker
Master Electrical Component List
IGN SW Fuse and Ignition Switch - 1 of 2
AMP, AUDIO, DRIVER DR MOD ELC COMP, L FRT HTD SEAT MOD, MEM/ADAPT SEAT, and REAR DR MOD Fuses
Fuse Block - Left Rear B+ Bus
Fuse Block - Left Rear B+ Bus