GM Service Manual Online
For 1990-2009 cars only
Makes
🢒
Cadillac
🢒
2004
🢒
SRX
🢒 Ignition Controls - CMP Sensors and Solenoids
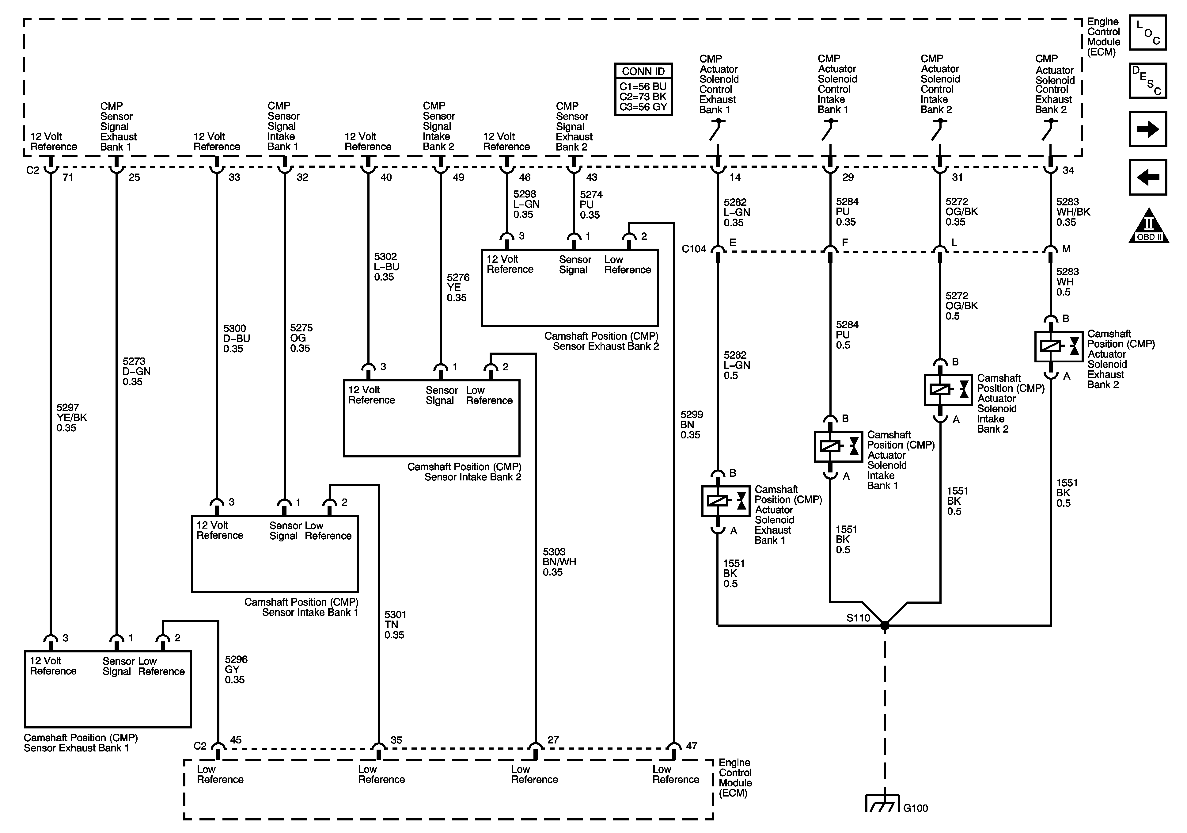
Ignition Controls - CMP Sensors and Solenoids
Ignition Controls - CMP Sensors and Solenoids
Master Electrical Component List
Camshaft Actuator System Description
Ignition Controls - CKP and Knock Sensors
Ignition Controls - Bank 2 Ignition Coils
OBD II Symbol Description Notice
G100 - LH2