GM Service Manual Online
For 1990-2009 cars only
Makes
🢒
Cadillac
🢒
2004
🢒
SRX
🢒 Power, Ground and Serial Data
Power, Ground and Serial Data
Module Power, Ground and Serial Data
Master Electrical Component List
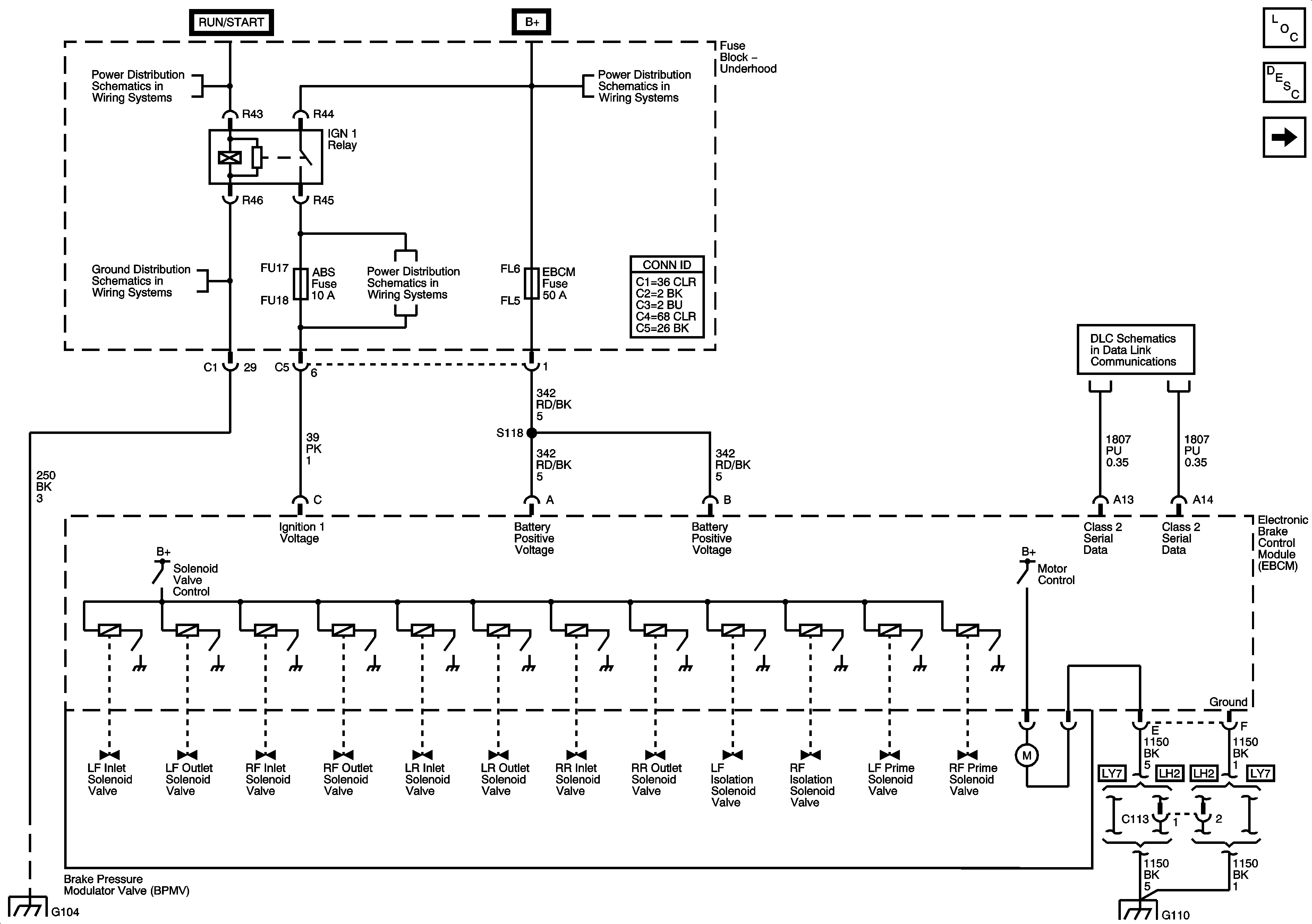
ABS Description and Operation
Wheel Speed Sensors
RIM and THEFT Fuses and Ignition Switch - 2 of 2
G104
Fuse Block - Underhood B+ Bus Schematic
ABS, STARTER RLY, STRG CTLS, TCM/IPC, and WASH NOZ Fuses
Class 2 Serial Data - 1 of 2
G104
G102, G105, G107, G108, G109 and G110