GM Service Manual Online
For 1990-2009 cars only
Makes
🢒
Cadillac
🢒
2004
🢒
SRX
🢒 Power, Grounds, Serial Data and Controls
Power, Grounds, Serial Data and Controls
Power, Grounds, Serial Data, and Controls
Master Electrical Component List
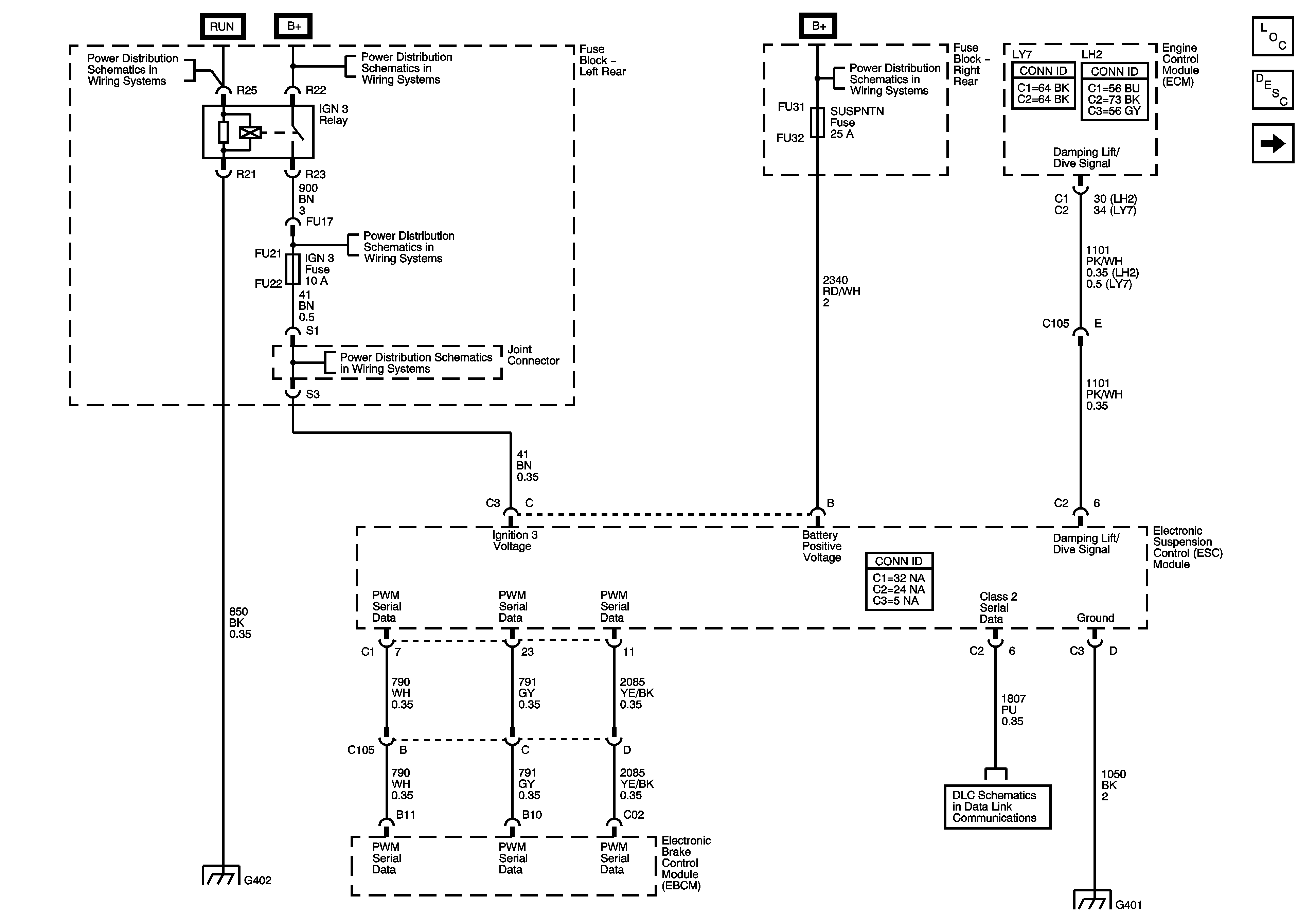
Electronic Suspension Control Description and Operation
Sensors and Dampers
RIM and THEFT Fuses and Ignition Switch - 2 of 2
Fuse Block - Left Rear B+ Bus
Fuse Block - Right Rear B+ Bus
AIRBAG, CCP (RUN), EBCM (RUN), HDLP LEVELING, IGN 1, AND IGN 3 Fuses
AIRBAG, CCP (RUN), EBCM (RUN), HDLP LEVELING, IGN 1, AND IGN 3 Fuses
G402 - 1 of 2
Class 2 Serial Data - 2 of 2
G401 - 2 of 2