GM Service Manual Online
For 1990-2009 cars only
Makes
🢒
Cadillac
🢒
2004
🢒
SRX
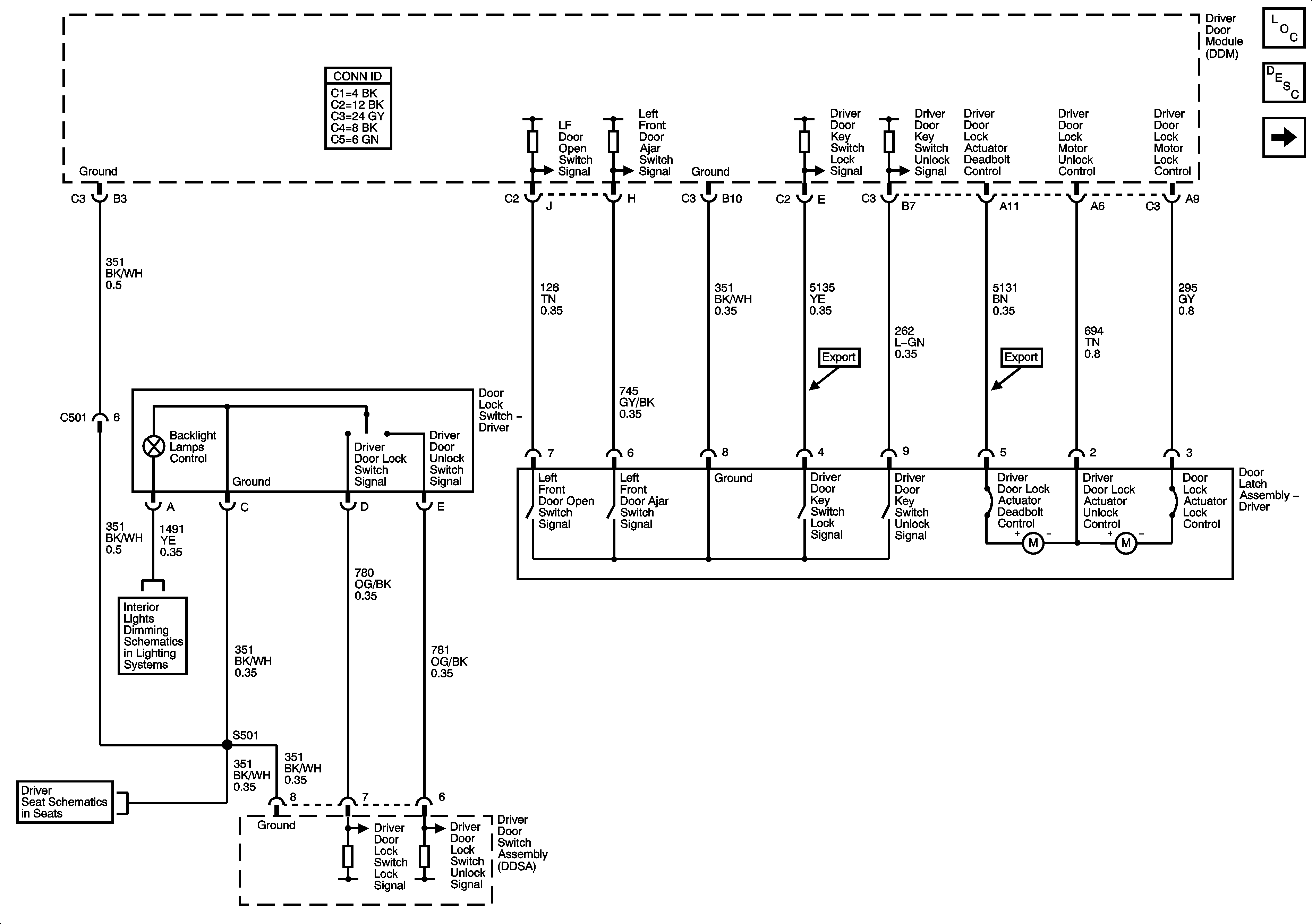
🢒 Driver Door Lock
Driver Door Lock
Driver Door Lock
Master Electrical Component List
Power Door Locks Description and Operation
Front Passenger Door Lock
Dimming Lamps - 2 of 2
Memory Seat Controls (A45)