GM Service Manual Online
For 1990-2009 cars only
Makes
🢒
Cadillac
🢒
2004
🢒
SRX
🢒 Dimming Lamps - 2 of 2
Dimming Lamps - 2 of 2
Dimming Lamps - 2 of 2
Master Electrical Component List
Interior Lighting Systems Description and Operation
Dimming Lamps - 1 of 2
Memory Seat Controls (A45)
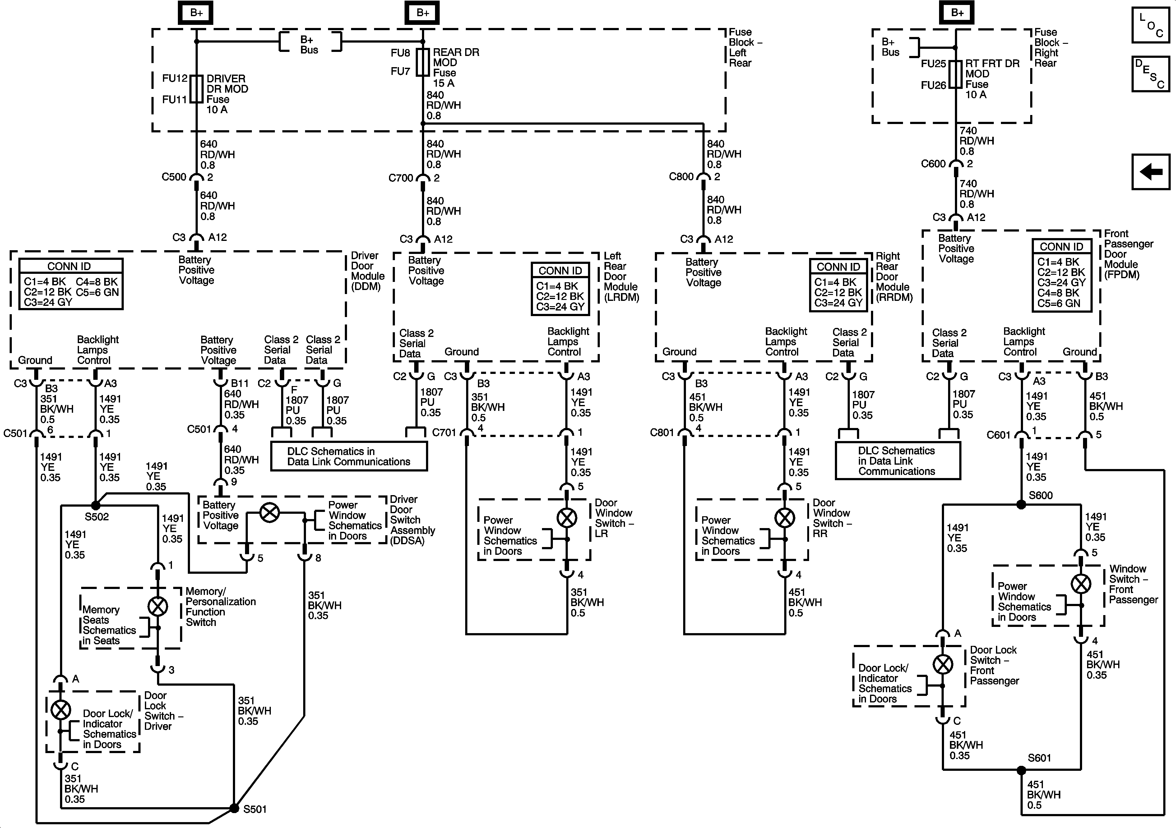
Driver Door Lock
Class 2 Serial Data - 1 of 2
Driver and Passenger Power Outside Mirrors (w/o A45)
Rear Power Windows
Rear Power Windows
Class 2 Serial Data - 2 of 2
Front Passenger Door Lock
Front Power Windows