GM Service Manual Online
For 1990-2009 cars only
Makes
🢒
Cadillac
🢒
2004
🢒
SRX
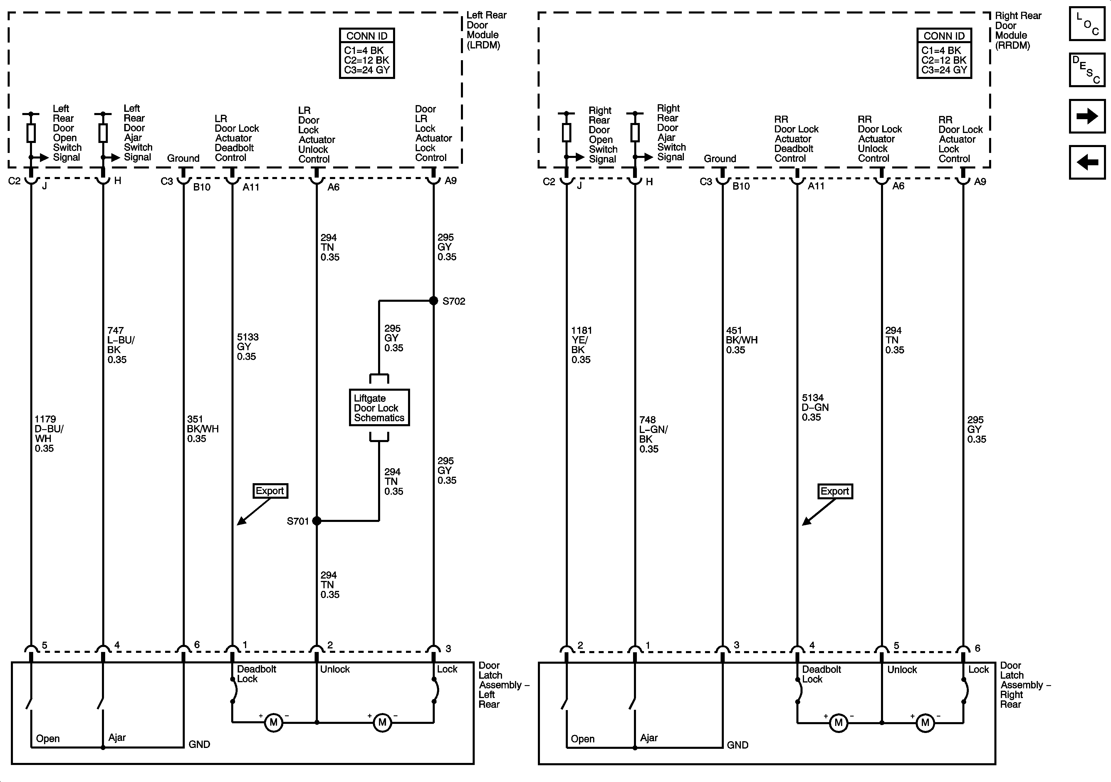
🢒 Left Rear and Right Rear Door Lock
Left Rear and Right Rear Door Lock
Left Rear and Right Rear Door Lock
Master Electrical Component List
Power Door Locks Description and Operation
Liftgate Door Lock
Front Passenger Door Lock
Liftgate Door Lock